LEMON Manuals: Even more car manuals for everyone: 1960-2025
Home >> Toyota >> 2011 >> Matrix Base, Automatic >> Repair and Diagnosis >> Electrical >> Body Electrical >> OEM System Circuits >> Electronically Controlled Transmission and A/T Indicator (2ZR-FE) >> Notes
April 5, 2026: LEMON Manuals is launched! Read the announcement.

Electronically Controlled Transmission and A/T Indicator (2ZR-FE): Notes

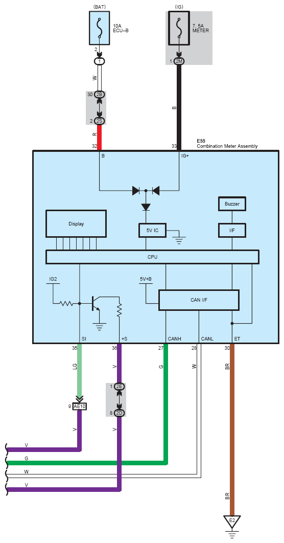
Fig 1: Electronically Controlled Transmission And A/T Indicator (2ZR-FE) System Wiring Diagram (1 Of 6)
G07114274Courtesy of © TOYOTA, LICENSE AGREEMENT TMS1002
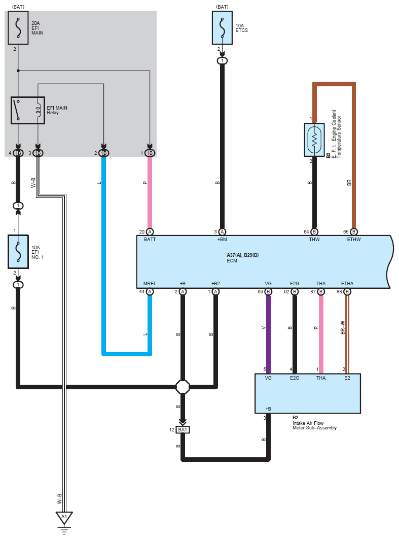
Fig 2: Electronically Controlled Transmission And A/T Indicator (2ZR-FE) System Wiring Diagram (2 Of 6)
G07114275Courtesy of © TOYOTA, LICENSE AGREEMENT TMS1002
Fig 3: Electronically Controlled Transmission And A/T Indicator (2ZR-FE) System Wiring Diagram (3 Of 6)
G07114276Courtesy of © TOYOTA, LICENSE AGREEMENT TMS1002
Fig 4: Electronically Controlled Transmission And A/T Indicator (2ZR-FE) System Wiring Diagram (4 Of 6)
G07114277Courtesy of © TOYOTA, LICENSE AGREEMENT TMS1002
Fig 5: Electronically Controlled Transmission And A/T Indicator (2ZR-FE) System Wiring Diagram (5 Of 6)
G07114278Courtesy of © TOYOTA, LICENSE AGREEMENT TMS1002
Fig 6: Electronically Controlled Transmission And A/T Indicator (2ZR-FE) System Wiring Diagram (6 Of 6)
G07114279Courtesy of © TOYOTA, LICENSE AGREEMENT TMS1002