LEMON Manuals: Even more car manuals for everyone: 1960-2025
Home >> Toyota >> 2011 >> Matrix Base, Standard >> Repair and Diagnosis (Single Page) >> Electrical >> Body Electrical >> OEM System Circuits >> Key Reminder >> Notes
April 5, 2026: LEMON Manuals is launched! Read the announcement.

Key Reminder: Notes

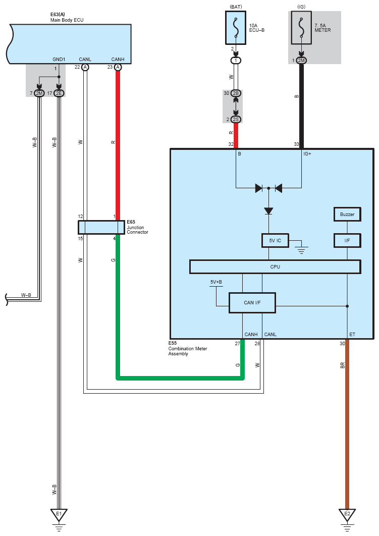
Fig 1: Key Reminder System Wiring Diagram (1 Of 2)
G07114319Courtesy of © TOYOTA, LICENSE AGREEMENT TMS1002
Fig 2: Key Reminder System Wiring Diagram (2 Of 2)
G07114320Courtesy of © TOYOTA, LICENSE AGREEMENT TMS1002