LEMON Manuals: Even more car manuals for everyone: 1960-2025
Home >> Toyota >> 2011 >> Matrix Base, Standard >> Repair and Diagnosis (Single Page) >> Electrical >> Body Electrical >> OEM System Circuits >> Power Window >> Notes
April 5, 2026: LEMON Manuals is launched! Read the announcement.

Power Window: Notes

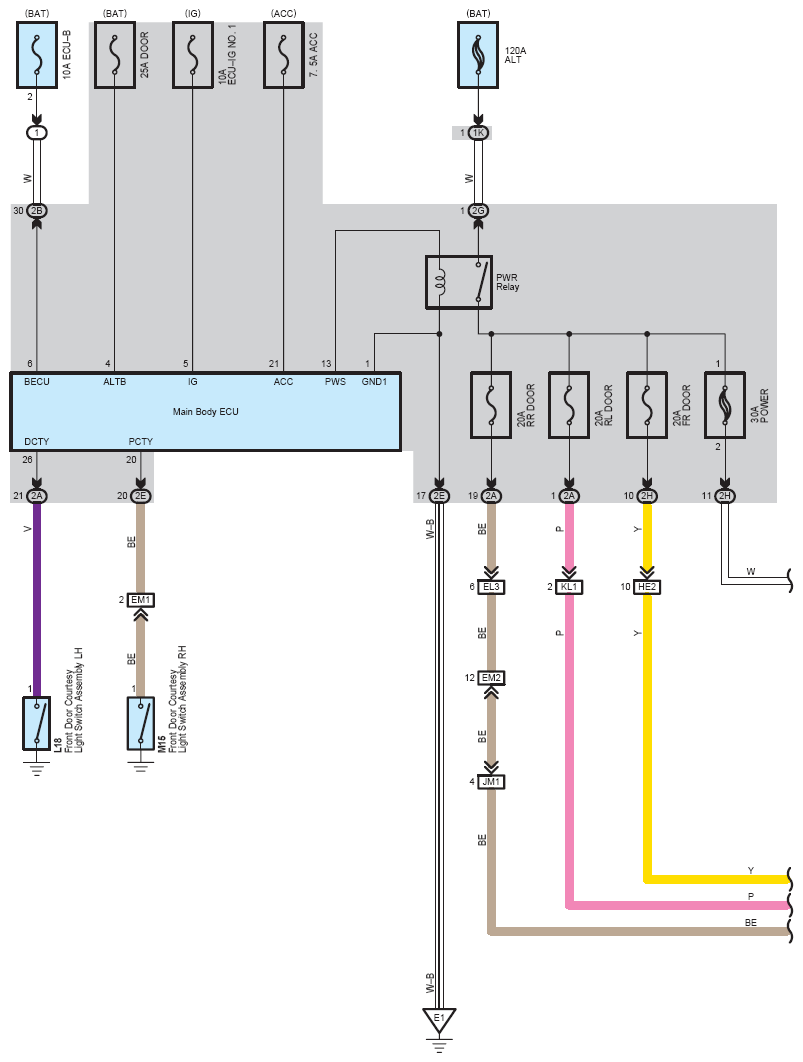
Fig 1: Power Window System Wiring Diagram (1 Of 3)
G07114255Courtesy of © TOYOTA, LICENSE AGREEMENT TMS1002
Fig 2: Power Window System Wiring Diagram (2 Of 3)
G07114256Courtesy of © TOYOTA, LICENSE AGREEMENT TMS1002
Fig 3: Power Window System Wiring Diagram (3 Of 3)
G07114257Courtesy of © TOYOTA, LICENSE AGREEMENT TMS1002