LEMON Manuals: Even more car manuals for everyone: 1960-2025
Home >> Toyota >> 2011 >> Matrix Base, Standard >> Repair and Diagnosis (Single Page) >> Electrical >> Fuses & Circuit Breakers >> OEM Junction Block, Ecu & Fuse/Relay Locations >> Junction Block Fuse, Relay & Circuit Identification >> Driver Side Junction Block Assembly Inner Circuit
April 5, 2026: LEMON Manuals is launched! Read the announcement.

Driver Side Junction Block Assembly Inner Circuit

Fig 1: Driver Side J/B Assembly Relay & Inner Circuit Diagram (1 Of 4)
G07114178Courtesy of © TOYOTA, LICENSE AGREEMENT TMS1002
DRIVER SIDE J/B INNER CIRCUIT RELAY IDENTIFICATION

RELAY DESCRIPTION
T-LP Relay
PWR Relay
Fig 2: Driver Side J/B Assembly Inner Circuit Diagram (2 Of 4)
G07114179Courtesy of © TOYOTA, LICENSE AGREEMENT TMS1002
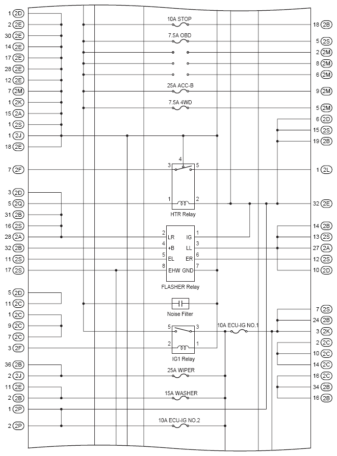
Fig 3: Driver Side J/B Assembly Relay & Inner Circuit Diagram (3 Of 4)
G07114180Courtesy of © TOYOTA, LICENSE AGREEMENT TMS1002
DRIVER SIDE J/B INNER CIRCUIT RELAY IDENTIFICATION

RELAY DESCRIPTION
C/OPN Relay
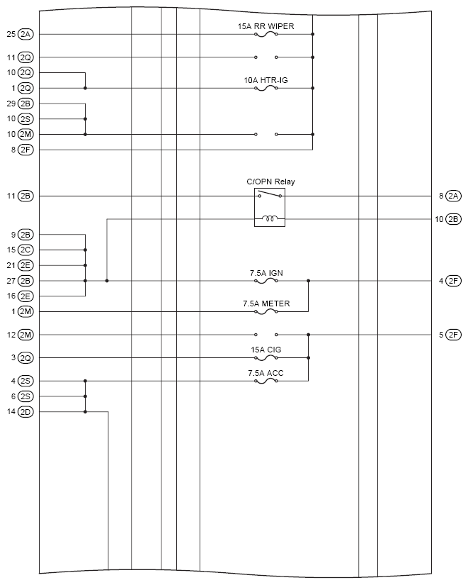
Fig 4: Driver Side J/B Assembly Inner Circuit Diagram (4 Of 4)
G07114181Courtesy of © TOYOTA, LICENSE AGREEMENT TMS1002