LEMON Manuals: Even more car manuals for everyone: 1960-2025
Home >> Toyota >> 2011 >> Matrix Base, Standard >> Repair and Diagnosis >> Electrical >> Body Electrical >> OEM System Circuits >> Cooling Fan (2AZ-FE) >> Notes
April 5, 2026: LEMON Manuals is launched! Read the announcement.

Cooling Fan (2AZ-FE): Notes

Fig 1: Cooling Fan (2AZ-FE) System Wiring Diagram (1 Of 5)
G07114343Courtesy of © TOYOTA, LICENSE AGREEMENT TMS1002
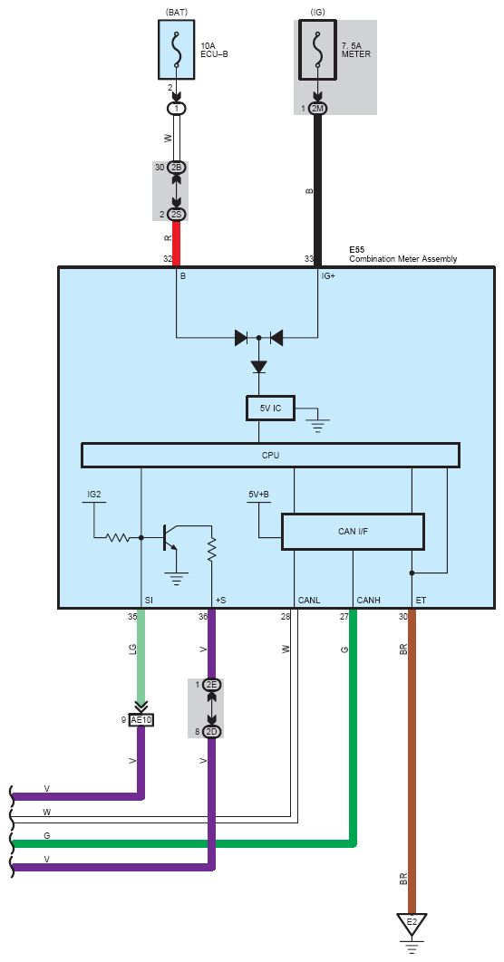
Fig 2: Cooling Fan (2AZ-FE) System Wiring Diagram (2 Of 5)
G07114344Courtesy of © TOYOTA, LICENSE AGREEMENT TMS1002
Fig 3: Cooling Fan (2AZ-FE) System Wiring Diagram (3 Of 5)
G07114345Courtesy of © TOYOTA, LICENSE AGREEMENT TMS1002
Fig 4: Cooling Fan (2AZ-FE) System Wiring Diagram (4 Of 5)
G07114346Courtesy of © TOYOTA, LICENSE AGREEMENT TMS1002
Fig 5: Cooling Fan (2AZ-FE) System Wiring Diagram (5 Of 5)
G07114347Courtesy of © TOYOTA, LICENSE AGREEMENT TMS1002