LEMON Manuals: Even more car manuals for everyone: 1960-2025
Home >> Toyota >> 2011 >> Matrix Base, Standard >> Repair and Diagnosis >> Engine Performance >> Engine Control Systems >> Emission Control System (2ZR-FE) (Service Information) >> PCV Valve >> Components >> Illustration
April 5, 2026: LEMON Manuals is launched! Read the announcement.

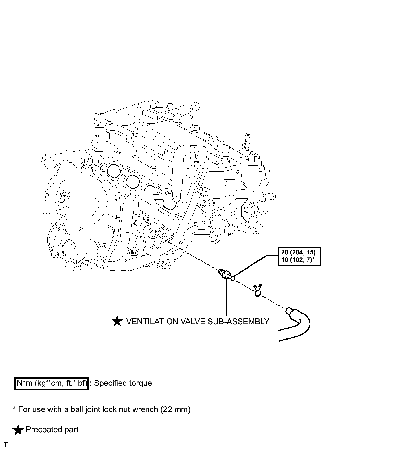
PCV Valve: Components: Illustration

Fig 1: Identifying PCV Valve Replacement Components With Torque Specifications
GTY193784Courtesy of © TOYOTA, LICENSE AGREEMENT TMS1002