LEMON Manuals: Even more car manuals for everyone: 1960-2025
Home >> Toyota >> 2011 >> Prius >> Repair and Diagnosis >> Electrical >> Body Electrical >> OEM System Circuits >> Headlight Cleaner >> Notes
April 5, 2026: LEMON Manuals is launched! Read the announcement.

Headlight Cleaner: Notes

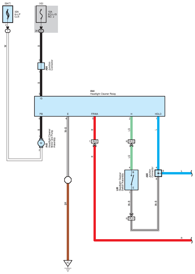
Fig 1: Headlight Cleaner System Wiring Diagram (1 Of 4)
G07116848Courtesy of © TOYOTA, LICENSE AGREEMENT TMS1002
Fig 2: Headlight Cleaner System Wiring Diagram (2 Of 4)
G07116849Courtesy of © TOYOTA, LICENSE AGREEMENT TMS1002
Fig 3: Headlight Cleaner System Wiring Diagram (3 Of 4)
G07116850Courtesy of © TOYOTA, LICENSE AGREEMENT TMS1002
Fig 4: Headlight Cleaner System Wiring Diagram (4 Of 4)
G07116851Courtesy of © TOYOTA, LICENSE AGREEMENT TMS1002