LEMON Manuals: Even more car manuals for everyone: 1960-2025
Home >> Toyota >> 2011 >> Prius >> Repair and Diagnosis >> Electrical >> Body Electrical >> OEM System Circuits >> Hybrid System and Shift Control System >> Notes
April 5, 2026: LEMON Manuals is launched! Read the announcement.

Hybrid System and Shift Control System: Notes

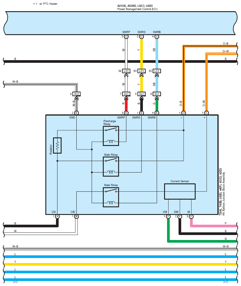
Fig 1: Hybrid System And Shift Control System Wiring Diagram (1 Of 27)
G07116726Courtesy of © TOYOTA, LICENSE AGREEMENT TMS1002
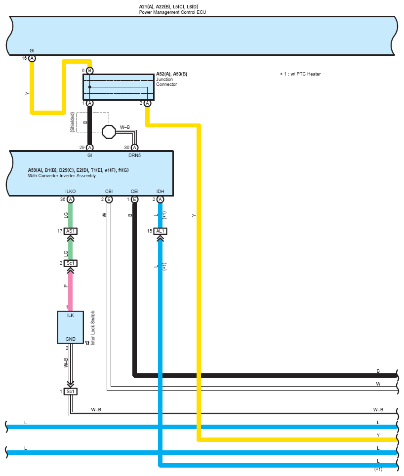
Fig 2: Hybrid System And Shift Control System Wiring Diagram (2 Of 27)
G07116727Courtesy of © TOYOTA, LICENSE AGREEMENT TMS1002
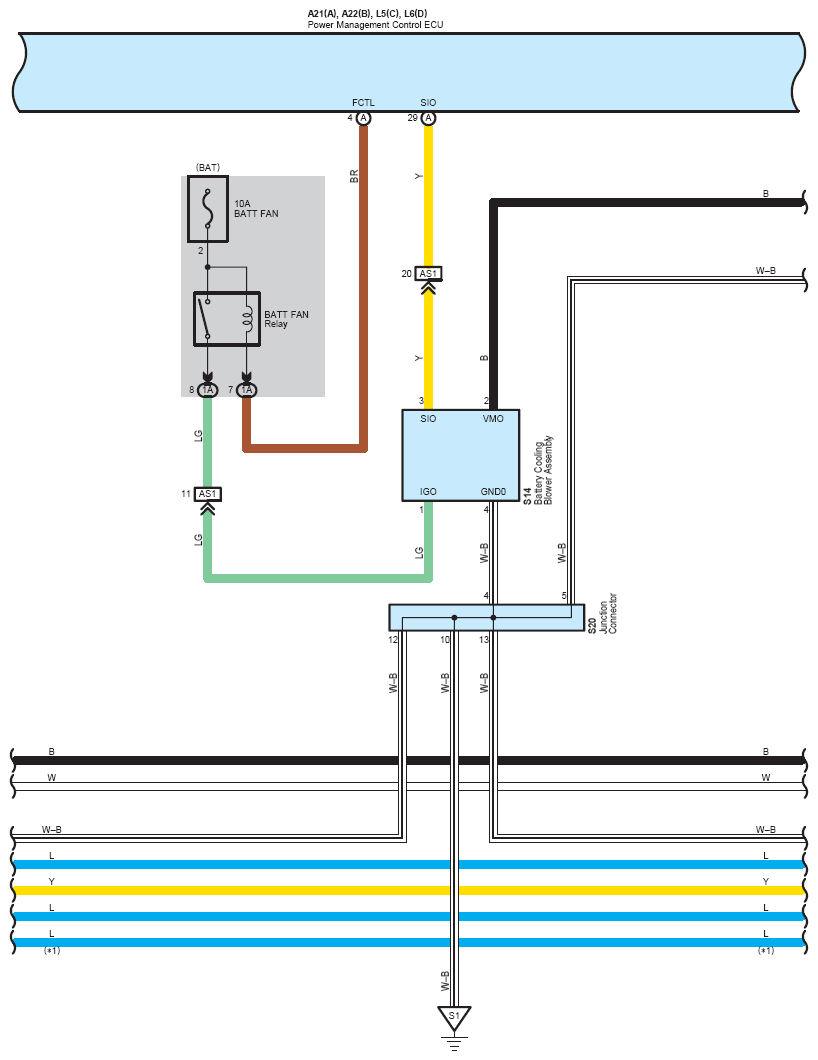
Fig 3: Hybrid System And Shift Control System Wiring Diagram (3 Of 27)
G07116728Courtesy of © TOYOTA, LICENSE AGREEMENT TMS1002
Fig 4: Hybrid System And Shift Control System Wiring Diagram (4 Of 27)
G07116729Courtesy of © TOYOTA, LICENSE AGREEMENT TMS1002
Fig 5: Hybrid System And Shift Control System Wiring Diagram (5 Of 27)
G07116730Courtesy of © TOYOTA, LICENSE AGREEMENT TMS1002
Fig 6: Hybrid System And Shift Control System Wiring Diagram (6 Of 27)
G07116731Courtesy of © TOYOTA, LICENSE AGREEMENT TMS1002
Fig 7: Hybrid System And Shift Control System Wiring Diagram (7 Of 27)
G07116732Courtesy of © TOYOTA, LICENSE AGREEMENT TMS1002
Fig 8: Hybrid System And Shift Control System Wiring Diagram (8 Of 27)
G07116733Courtesy of © TOYOTA, LICENSE AGREEMENT TMS1002
Fig 9: Hybrid System And Shift Control System Wiring Diagram (9 Of 27)
G07116734Courtesy of © TOYOTA, LICENSE AGREEMENT TMS1002
Fig 10: Hybrid System And Shift Control System Wiring Diagram (10 Of 27)
G07116735Courtesy of © TOYOTA, LICENSE AGREEMENT TMS1002
Fig 11: Hybrid System And Shift Control System Wiring Diagram (11 Of 27)
G07116736Courtesy of © TOYOTA, LICENSE AGREEMENT TMS1002
Fig 12: Hybrid System And Shift Control System Wiring Diagram (12 Of 27)
G07116737Courtesy of © TOYOTA, LICENSE AGREEMENT TMS1002
Fig 13: Hybrid System And Shift Control System Wiring Diagram (13 Of 27)
G07116738Courtesy of © TOYOTA, LICENSE AGREEMENT TMS1002
Fig 14: Hybrid System And Shift Control System Wiring Diagram (14 Of 27)
G07116739Courtesy of © TOYOTA, LICENSE AGREEMENT TMS1002
Fig 15: Hybrid System And Shift Control System Wiring Diagram (15 Of 27)
G07116740Courtesy of © TOYOTA, LICENSE AGREEMENT TMS1002
Fig 16: Hybrid System And Shift Control System Wiring Diagram (16 Of 27)
G07116741Courtesy of © TOYOTA, LICENSE AGREEMENT TMS1002
Fig 17: Hybrid System And Shift Control System Wiring Diagram (17 Of 27)
G07116742Courtesy of © TOYOTA, LICENSE AGREEMENT TMS1002
Fig 18: Hybrid System And Shift Control System Wiring Diagram (18 Of 27)
G07116743Courtesy of © TOYOTA, LICENSE AGREEMENT TMS1002
Fig 19: Hybrid System And Shift Control System Wiring Diagram (19 Of 27)
G07116744Courtesy of © TOYOTA, LICENSE AGREEMENT TMS1002
Fig 20: Hybrid System And Shift Control System Wiring Diagram (20 Of 27)
G07116745Courtesy of © TOYOTA, LICENSE AGREEMENT TMS1002
Fig 21: Hybrid System And Shift Control System Wiring Diagram (21 Of 27)
G07116746Courtesy of © TOYOTA, LICENSE AGREEMENT TMS1002
Fig 22: Hybrid System And Shift Control System Wiring Diagram (22 Of 27)
G07116747Courtesy of © TOYOTA, LICENSE AGREEMENT TMS1002
Fig 23: Hybrid System And Shift Control System Wiring Diagram (23 Of 27)
G07116748Courtesy of © TOYOTA, LICENSE AGREEMENT TMS1002
Fig 24: Hybrid System And Shift Control System Wiring Diagram (24 Of 27)
G07116749Courtesy of © TOYOTA, LICENSE AGREEMENT TMS1002
Fig 25: Hybrid System And Shift Control System Wiring Diagram (25 Of 27)
G07116750Courtesy of © TOYOTA, LICENSE AGREEMENT TMS1002
Fig 26: Hybrid System And Shift Control System Wiring Diagram (26 Of 27)
G07116751Courtesy of © TOYOTA, LICENSE AGREEMENT TMS1002
Fig 27: Hybrid System And Shift Control System Wiring Diagram (27 Of 27)
G07116752Courtesy of © TOYOTA, LICENSE AGREEMENT TMS1002