LEMON Manuals: Even more car manuals for everyone: 1960-2025
Home >> Toyota >> 2011 >> Prius >> Repair and Diagnosis >> Electrical >> Body Electrical >> OEM System Circuits >> Power Outlet >> Notes
April 5, 2026: LEMON Manuals is launched! Read the announcement.

Power Outlet: Notes

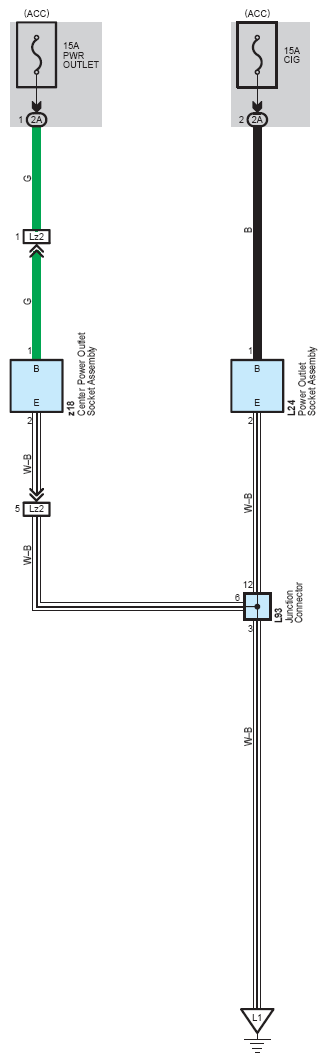
Fig 1: Power Outlet System Wiring Diagram
G07116913Courtesy of © TOYOTA, LICENSE AGREEMENT TMS1002