LEMON Manuals: Even more car manuals for everyone: 1960-2025
Home >> Toyota >> 2011 >> Prius >> Repair and Diagnosis >> Electrical >> Body Electrical >> OEM System Circuits >> Power Window >> Notes
April 5, 2026: LEMON Manuals is launched! Read the announcement.

Power Window: Notes

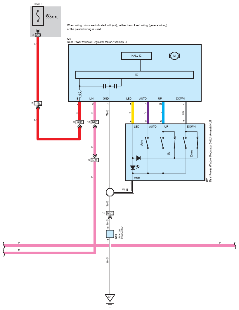
Fig 1: Power Window System Wiring Diagram (1 Of 5)
G07116900Courtesy of © TOYOTA, LICENSE AGREEMENT TMS1002
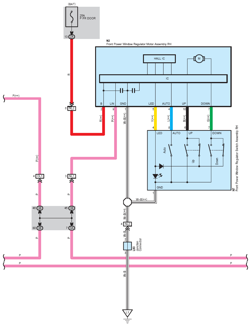
Fig 2: Power Window System Wiring Diagram (2 Of 5)
G07116901Courtesy of © TOYOTA, LICENSE AGREEMENT TMS1002
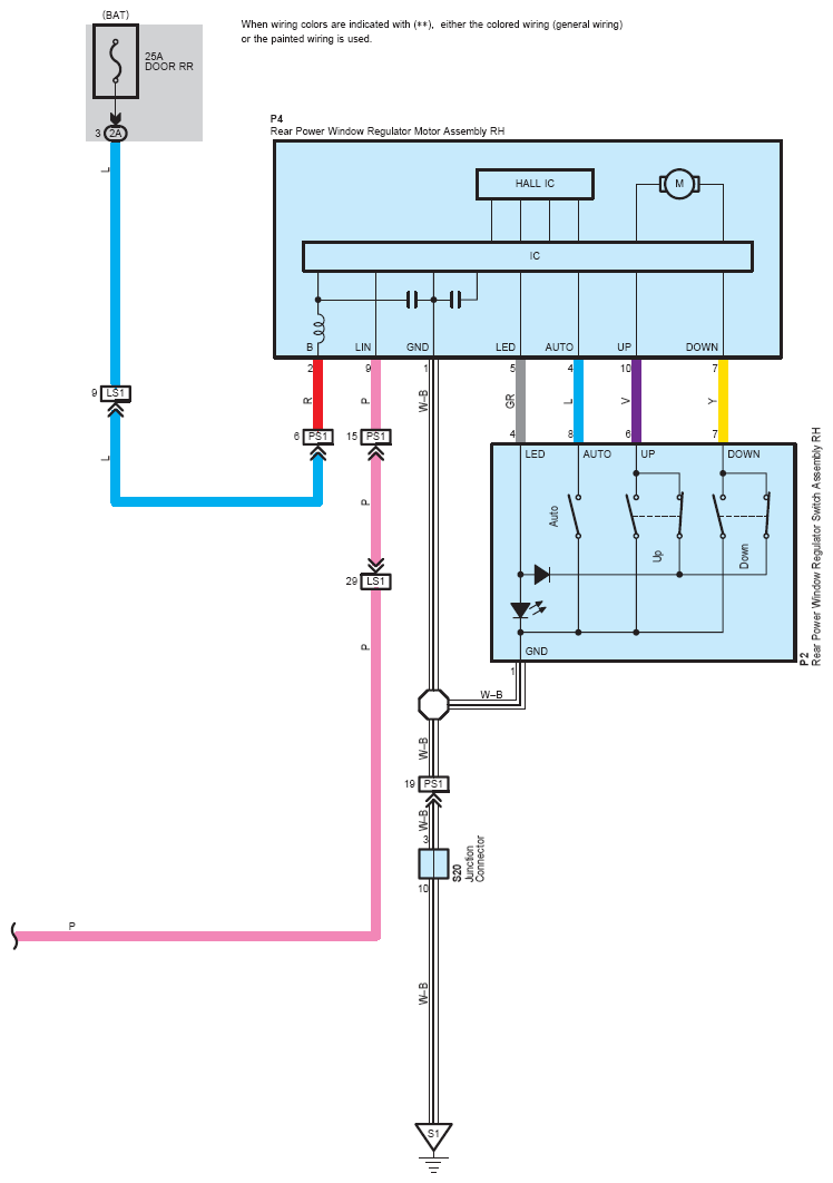
Fig 3: Power Window System Wiring Diagram (3 Of 5)
G07116902Courtesy of © TOYOTA, LICENSE AGREEMENT TMS1002
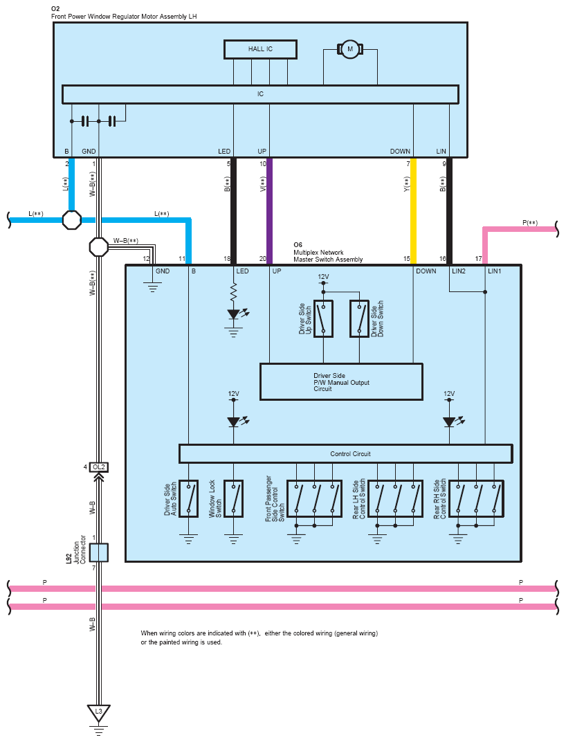
Fig 4: Power Window System Wiring Diagram (4 Of 5)
G07116903Courtesy of © TOYOTA, LICENSE AGREEMENT TMS1002
Fig 5: Power Window System Wiring Diagram (5 Of 5)
G07116904Courtesy of © TOYOTA, LICENSE AGREEMENT TMS1002