LEMON Manuals: Even more car manuals for everyone: 1960-2025
Home >> Toyota >> 2011 >> Prius >> Repair and Diagnosis >> Electrical >> Body Electrical >> OEM System Circuits >> Remote Control Mirror >> Notes
April 5, 2026: LEMON Manuals is launched! Read the announcement.

Remote Control Mirror: Notes

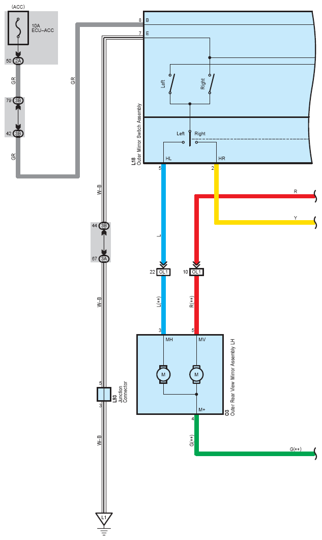
Fig 1: Remote Control Mirror System Wiring Diagram (1 Of 2)
G07116905Courtesy of © TOYOTA, LICENSE AGREEMENT TMS1002
Fig 2: Remote Control Mirror System Wiring Diagram (2 Of 2)
G07116906Courtesy of © TOYOTA, LICENSE AGREEMENT TMS1002