LEMON Manuals: Even more car manuals for everyone: 1960-2025
Home >> Toyota >> 2011 >> Prius >> Repair and Diagnosis >> Electrical >> Body Electrical >> OEM System Circuits >> Smart Key System and Back Door Opener >> Notes
April 5, 2026: LEMON Manuals is launched! Read the announcement.

Smart Key System and Back Door Opener: Notes

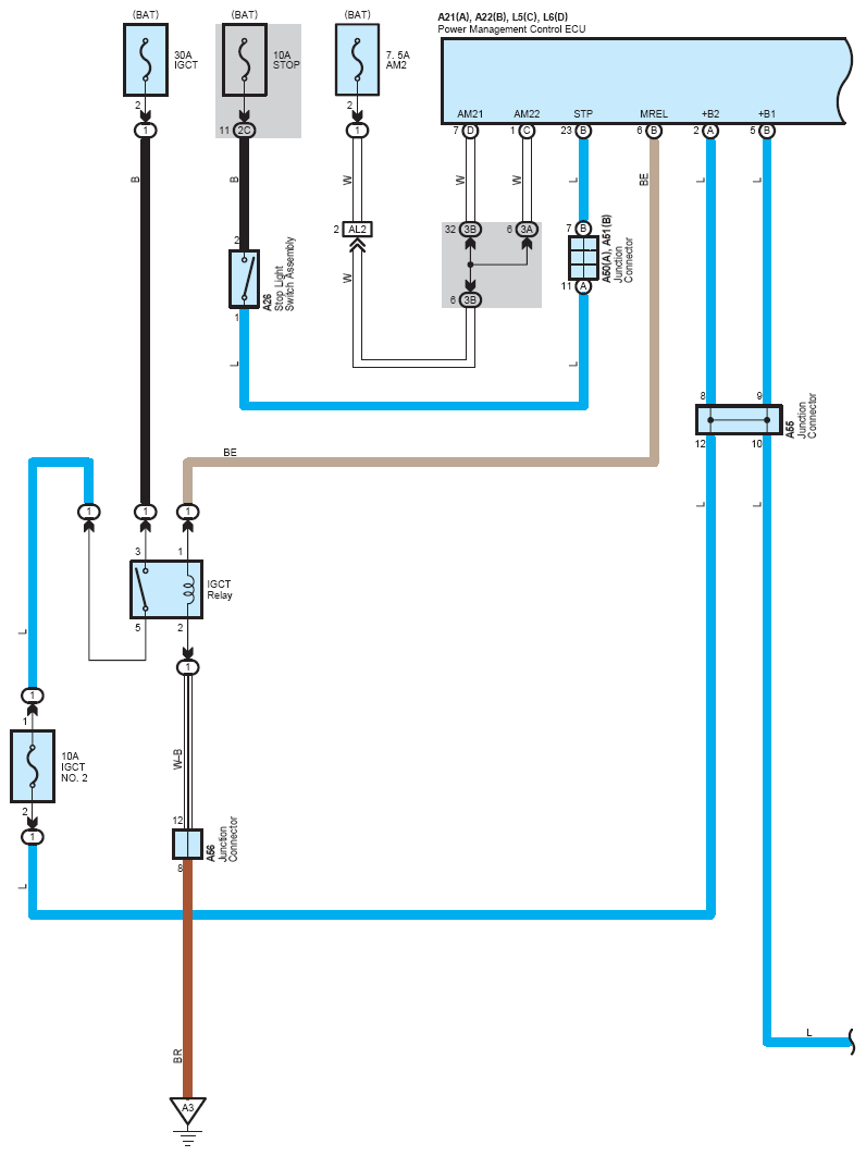
Fig 1: Smart Key System And Back Door Opener System Wiring Diagram (1 Of 21)
G07116753Courtesy of © TOYOTA, LICENSE AGREEMENT TMS1002
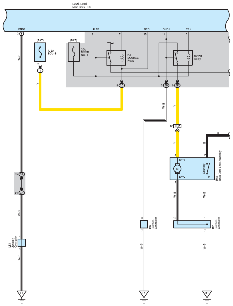
Fig 2: Smart Key System And Back Door Opener System Wiring Diagram (2 Of 21)
G07116754Courtesy of © TOYOTA, LICENSE AGREEMENT TMS1002
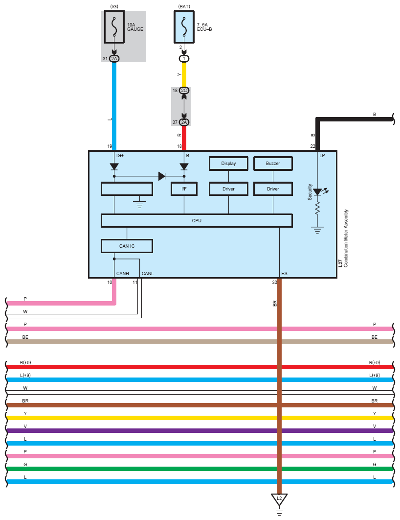
Fig 3: Smart Key System And Back Door Opener System Wiring Diagram (3 Of 21)
G07116755Courtesy of © TOYOTA, LICENSE AGREEMENT TMS1002
Fig 4: Smart Key System And Back Door Opener System Wiring Diagram (4 Of 21)
G07116756Courtesy of © TOYOTA, LICENSE AGREEMENT TMS1002
Fig 5: Smart Key System And Back Door Opener System Wiring Diagram (5 Of 21)
G07116757Courtesy of © TOYOTA, LICENSE AGREEMENT TMS1002
Fig 6: Smart Key System And Back Door Opener System Wiring Diagram (6 Of 21)
G07116758Courtesy of © TOYOTA, LICENSE AGREEMENT TMS1002
Fig 7: Smart Key System And Back Door Opener System Wiring Diagram (7 Of 21)
G07116759Courtesy of © TOYOTA, LICENSE AGREEMENT TMS1002
Fig 8: Smart Key System And Back Door Opener System Wiring Diagram (8 Of 21)
G07116760Courtesy of © TOYOTA, LICENSE AGREEMENT TMS1002
Fig 9: Smart Key System And Back Door Opener System Wiring Diagram (9 Of 21)
G07116761Courtesy of © TOYOTA, LICENSE AGREEMENT TMS1002
Fig 10: Smart Key System And Back Door Opener System Wiring Diagram (10 Of 21)
G07116762Courtesy of © TOYOTA, LICENSE AGREEMENT TMS1002
Fig 11: Smart Key System And Back Door Opener System Wiring Diagram (11 Of 21)
G07116763Courtesy of © TOYOTA, LICENSE AGREEMENT TMS1002
Fig 12: Smart Key System And Back Door Opener System Wiring Diagram (12 Of 21)
G07116764Courtesy of © TOYOTA, LICENSE AGREEMENT TMS1002
Fig 13: Smart Key System And Back Door Opener System Wiring Diagram (13 Of 21)
G07116765Courtesy of © TOYOTA, LICENSE AGREEMENT TMS1002
Fig 14: Smart Key System And Back Door Opener System Wiring Diagram (14 Of 21)
G07116766Courtesy of © TOYOTA, LICENSE AGREEMENT TMS1002
Fig 15: Smart Key System And Back Door Opener System Wiring Diagram (15 Of 21)
G07116767Courtesy of © TOYOTA, LICENSE AGREEMENT TMS1002
Fig 16: Smart Key System And Back Door Opener System Wiring Diagram (16 Of 21)
G07116768Courtesy of © TOYOTA, LICENSE AGREEMENT TMS1002
Fig 17: Smart Key System And Back Door Opener System Wiring Diagram (17 Of 21)
G07116769Courtesy of © TOYOTA, LICENSE AGREEMENT TMS1002
Fig 18: Smart Key System And Back Door Opener System Wiring Diagram (18 Of 21)
G07116770Courtesy of © TOYOTA, LICENSE AGREEMENT TMS1002
Fig 19: Smart Key System And Back Door Opener System Wiring Diagram (19 Of 21)
G07116771Courtesy of © TOYOTA, LICENSE AGREEMENT TMS1002
Fig 20: Smart Key System And Back Door Opener System Wiring Diagram (20 Of 21)
G07116772Courtesy of © TOYOTA, LICENSE AGREEMENT TMS1002
Fig 21: Smart Key System And Back Door Opener System Wiring Diagram (21 Of 21)
G07116773Courtesy of © TOYOTA, LICENSE AGREEMENT TMS1002