LEMON Manuals: Even more car manuals for everyone: 1960-2025
Home >> Toyota >> 2011 >> Prius >> Repair and Diagnosis >> Engine Performance >> System >> Engine Control System (Diagnostic Codes) >> SFI System >> DTC P0403: Exhaust Gas Recirculation Control Circuit >> Wiring Diagram
April 5, 2026: LEMON Manuals is launched! Read the announcement.

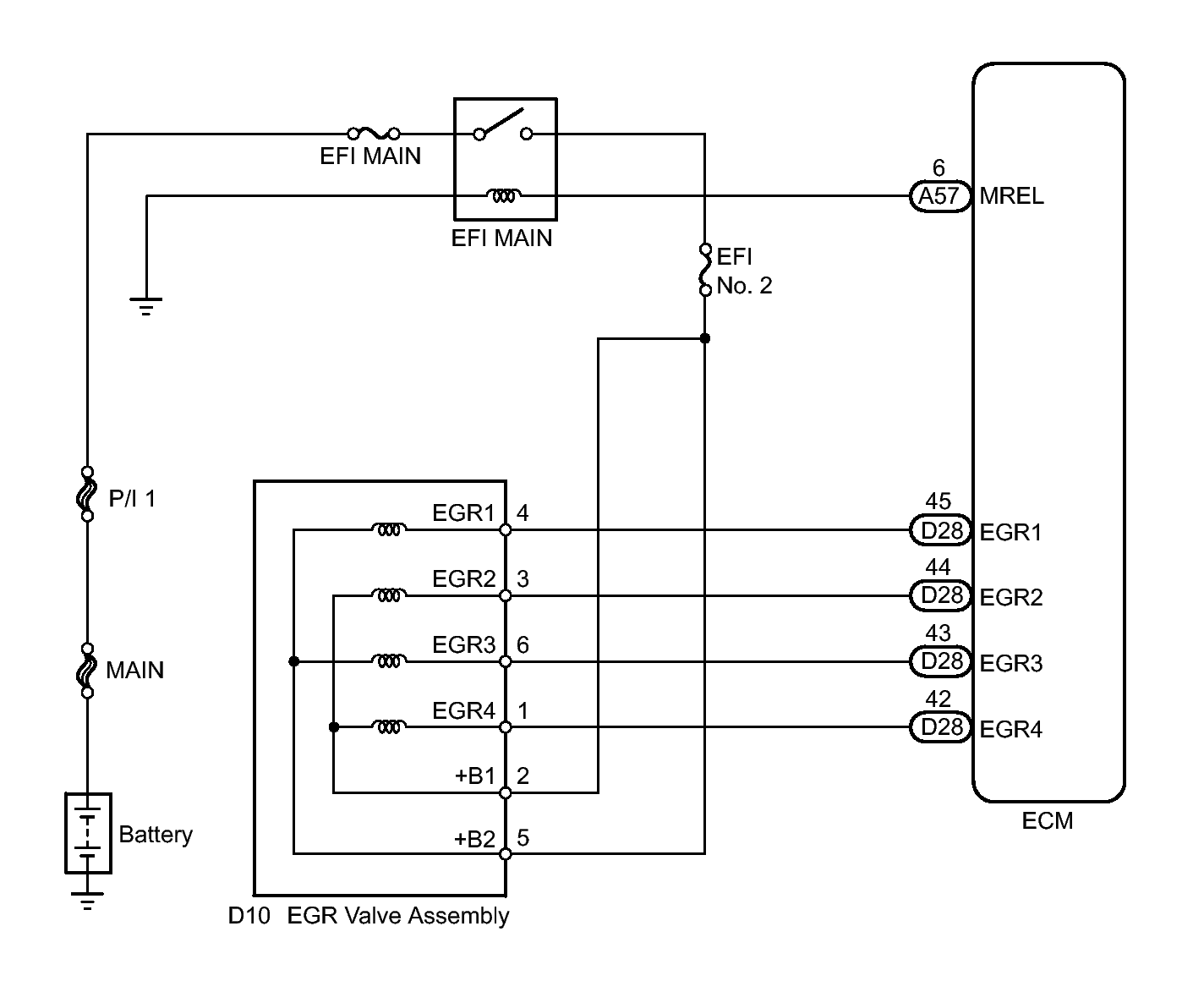
DTC P0403: Exhaust Gas Recirculation Control Circuit: Wiring Diagram

Fig 1: Exhaust Gas Recirculation Control Circuit Wiring Diagram
GTY216482Courtesy of © TOYOTA, LICENSE AGREEMENT TMS1002