LEMON Manuals: Even more car manuals for everyone: 1960-2025
Home >> Toyota >> 2011 >> RAV4 Base, 2.5 F, AWD >> Repair and Diagnosis (Single Page) >> Electrical >> Body Electrical >> OEM System Circuits >> Engine Control (2AR-FE) >> Notes
April 5, 2026: LEMON Manuals is launched! Read the announcement.

Engine Control (2AR-FE): Notes

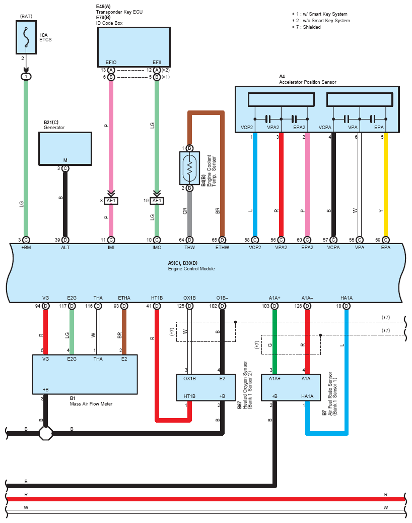
Fig 1: Engine Control (2AR-FE) System Wiring Diagram (1 Of 12)
G07130518Courtesy of © TOYOTA, LICENSE AGREEMENT TMS1002
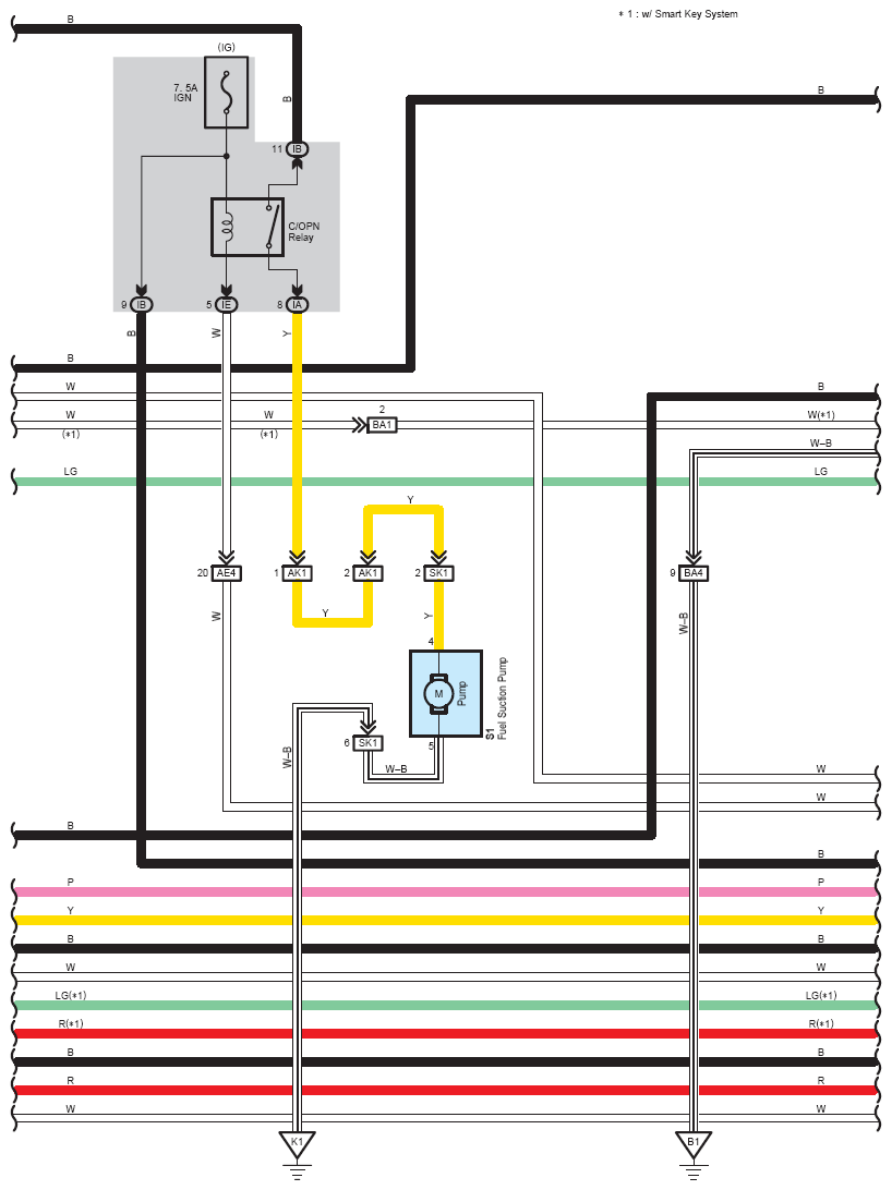
Fig 2: Engine Control (2AR-FE) System Wiring Diagram (2 Of 12)
G07130519Courtesy of © TOYOTA, LICENSE AGREEMENT TMS1002
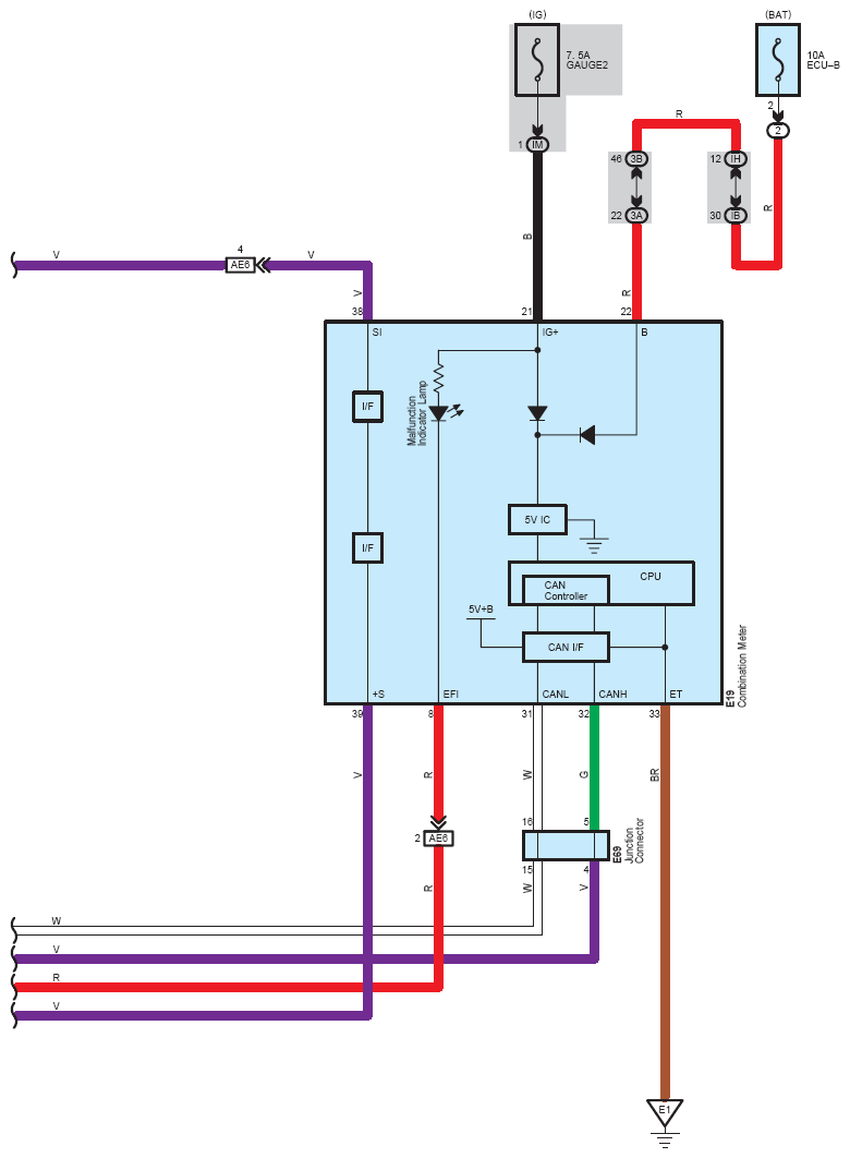
Fig 3: Engine Control (2AR-FE) System Wiring Diagram (3 Of 12)
G07130520Courtesy of © TOYOTA, LICENSE AGREEMENT TMS1002
Fig 4: Engine Control (2AR-FE) System Wiring Diagram (4 Of 12)
G07130521Courtesy of © TOYOTA, LICENSE AGREEMENT TMS1002
Fig 5: Engine Control (2AR-FE) System Wiring Diagram (5 Of 12)
G07130522Courtesy of © TOYOTA, LICENSE AGREEMENT TMS1002
Fig 6: Engine Control (2AR-FE) System Wiring Diagram (6 Of 12)
G07130523Courtesy of © TOYOTA, LICENSE AGREEMENT TMS1002
Fig 7: Engine Control (2AR-FE) System Wiring Diagram (7 Of 12)
G07130524Courtesy of © TOYOTA, LICENSE AGREEMENT TMS1002
Fig 8: Engine Control (2AR-FE) System Wiring Diagram (8 Of 12)
G07130525Courtesy of © TOYOTA, LICENSE AGREEMENT TMS1002
Fig 9: Engine Control (2AR-FE) System Wiring Diagram (9 Of 12)
G07130526Courtesy of © TOYOTA, LICENSE AGREEMENT TMS1002
Fig 10: Engine Control (2AR-FE) System Wiring Diagram (10 Of 12)
G07130527Courtesy of © TOYOTA, LICENSE AGREEMENT TMS1002
Fig 11: Engine Control (2AR-FE) System Wiring Diagram (11 Of 12)
G07130528Courtesy of © TOYOTA, LICENSE AGREEMENT TMS1002
Fig 12: Engine Control (2AR-FE) System Wiring Diagram (12 Of 12)
G07130529Courtesy of © TOYOTA, LICENSE AGREEMENT TMS1002