LEMON Manuals: Even more car manuals for everyone: 1960-2025
Home >> Toyota >> 2011 >> RAV4 Base, 2.5 F, AWD >> Repair and Diagnosis (Single Page) >> External Pages >> Different variant/trim >> Section 19 (Automatic Transaxle System (U151F) (Diagnostics - Introduction)) >> Automatic Transaxle System >> System Diagram >> System Diagram
April 5, 2026: LEMON Manuals is launched! Read the announcement.

System Diagram

WARNING: This page is about a different variant/trim than selected.

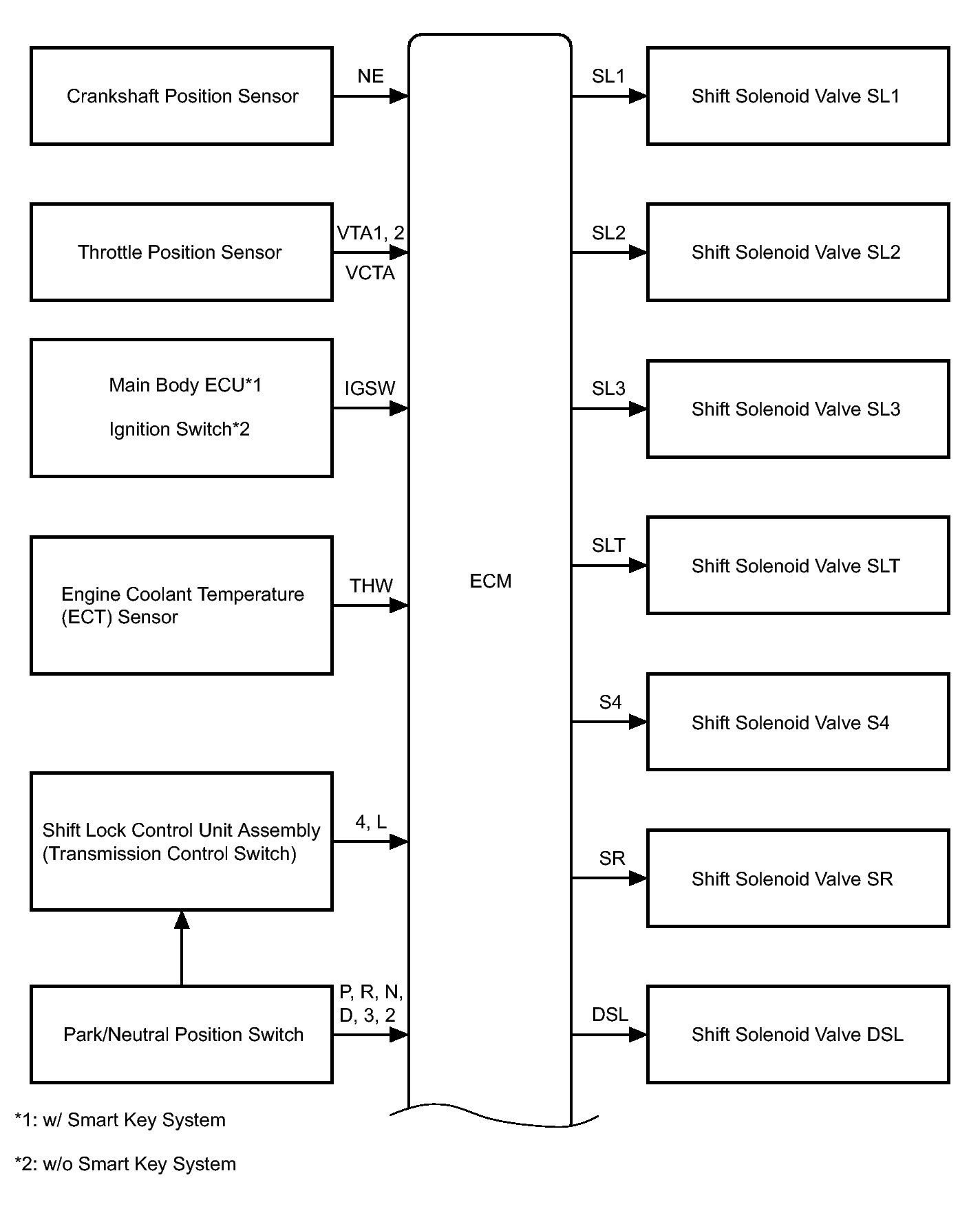
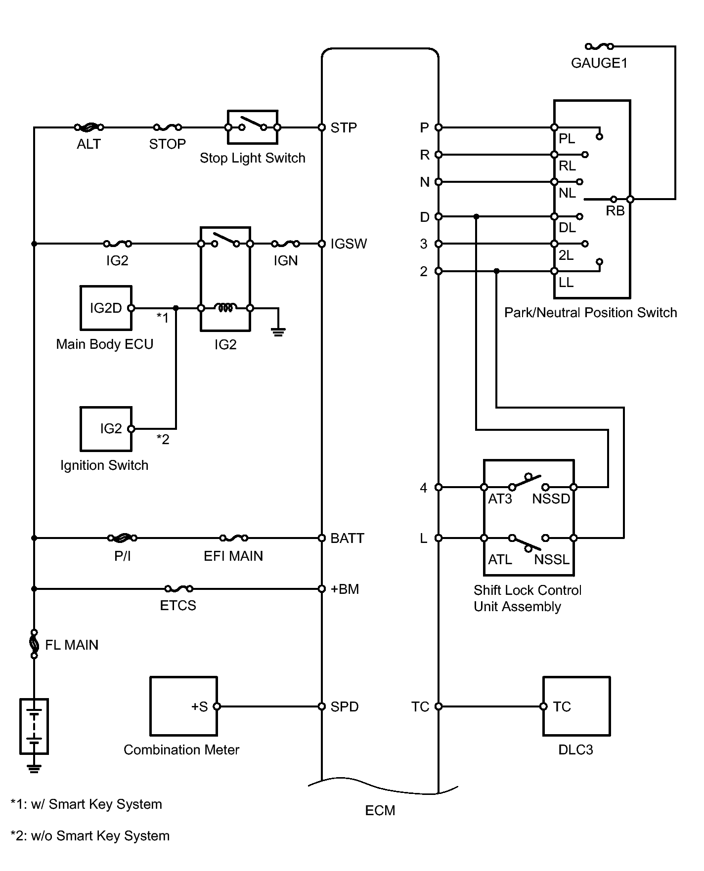
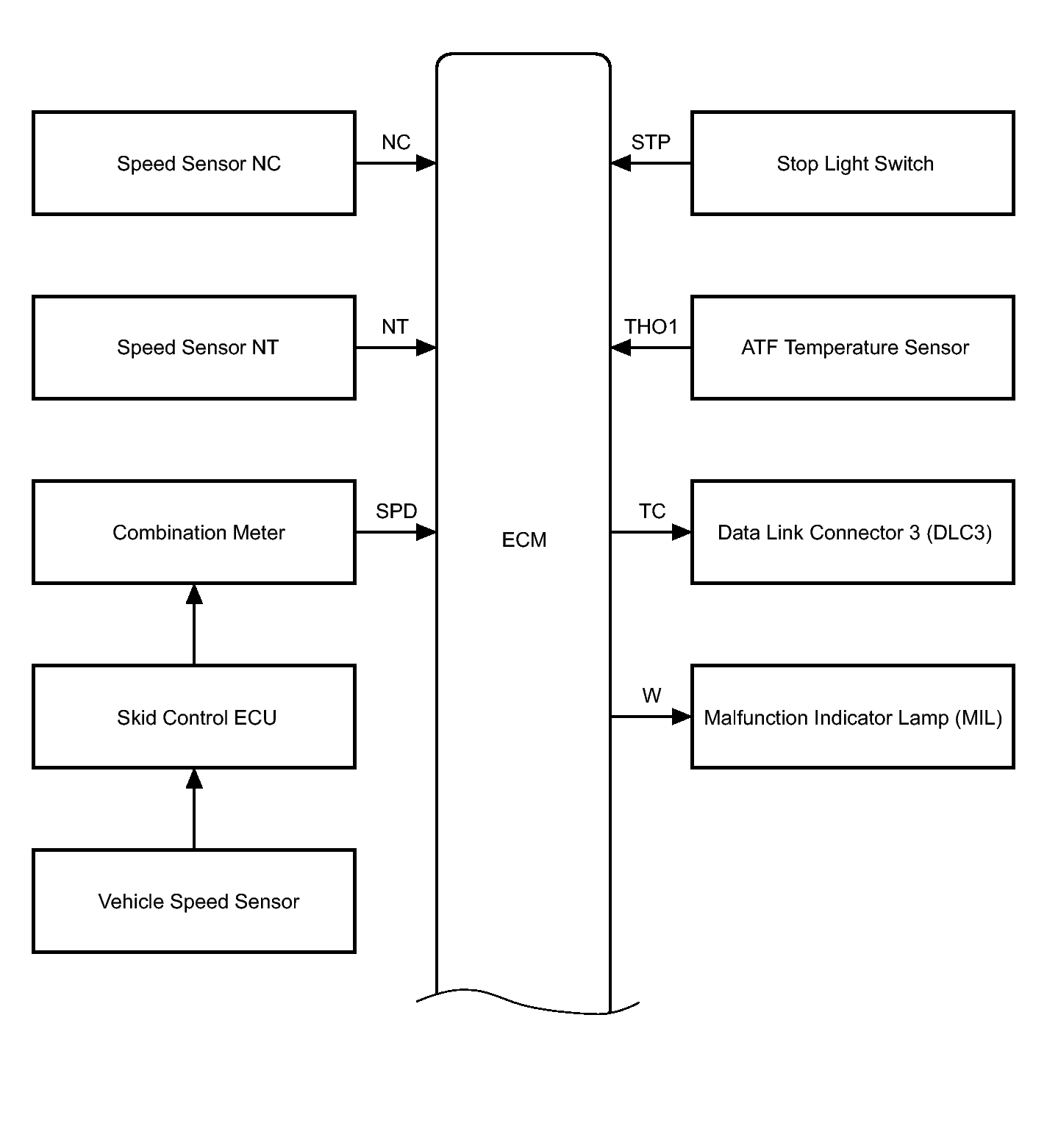
The configuration of the electronic control system in the U151F automatic transaxle is as shown in the following chart.

Fig 1: Automatic Transaxle System Diagram (1 Of 4)
GTY225559Courtesy of © TOYOTA, LICENSE AGREEMENT TMS1002
Fig 2: Automatic Transaxle System Diagram (2 Of 4)
GTY245470Courtesy of © TOYOTA, LICENSE AGREEMENT TMS1002
Fig 3: Automatic Transaxle System Diagram - (3 Of 4)
GTY245447Courtesy of © TOYOTA, LICENSE AGREEMENT TMS1002
Fig 4: Automatic Transaxle System Diagram - (4 Of 4)
GTY245471Courtesy of © TOYOTA, LICENSE AGREEMENT TMS1002