LEMON Manuals: Even more car manuals for everyone: 1960-2025
Home >> Toyota >> 2011 >> RAV4 Base, 2.5 F, AWD >> Repair and Diagnosis >> Electrical >> Body Electrical >> OEM System Circuits >> Audio System (JBL) >> Notes
April 5, 2026: LEMON Manuals is launched! Read the announcement.

Audio System (JBL): Notes

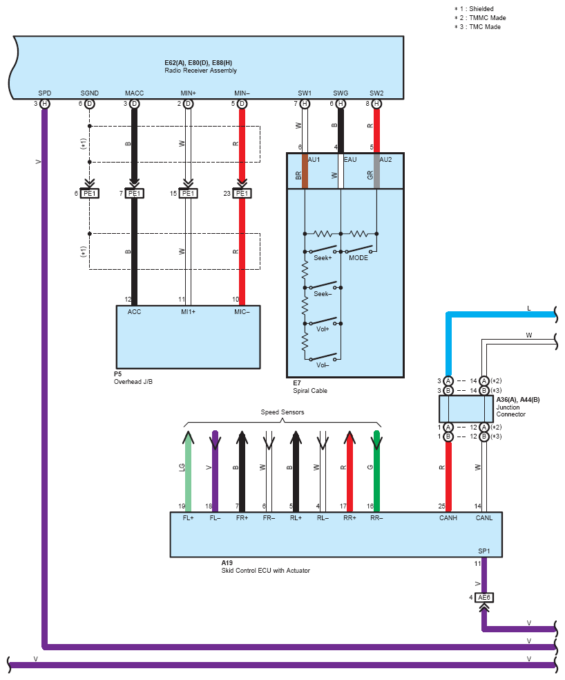
Fig 1: Audio System (JBL) Wiring Diagram (1 Of 5)
G07130636Courtesy of © TOYOTA, LICENSE AGREEMENT TMS1002
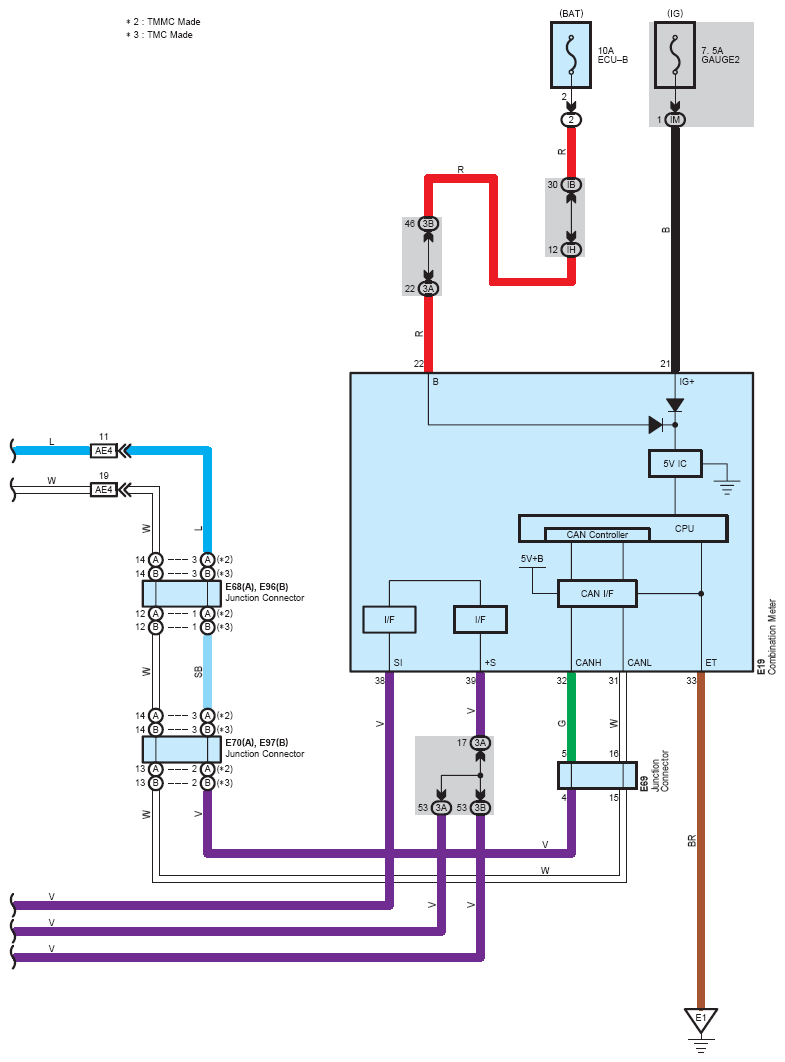
Fig 2: Audio System (JBL) Wiring Diagram (2 Of 5)
G07130637Courtesy of © TOYOTA, LICENSE AGREEMENT TMS1002
Fig 3: Audio System (JBL) Wiring Diagram (3 Of 5)
G07130638Courtesy of © TOYOTA, LICENSE AGREEMENT TMS1002
Fig 4: Audio System (JBL) Wiring Diagram (4 Of 5)
G07130639Courtesy of © TOYOTA, LICENSE AGREEMENT TMS1002
Fig 5: Audio System (JBL) Wiring Diagram (5 Of 5)
G07130640Courtesy of © TOYOTA, LICENSE AGREEMENT TMS1002