LEMON Manuals: Even more car manuals for everyone: 1960-2025
Home >> Toyota >> 2011 >> RAV4 Base, 2.5 F, AWD >> Repair and Diagnosis >> Electrical >> Body Electrical >> OEM System Circuits >> Door Lock Control >> Shift Lock
April 5, 2026: LEMON Manuals is launched! Read the announcement.

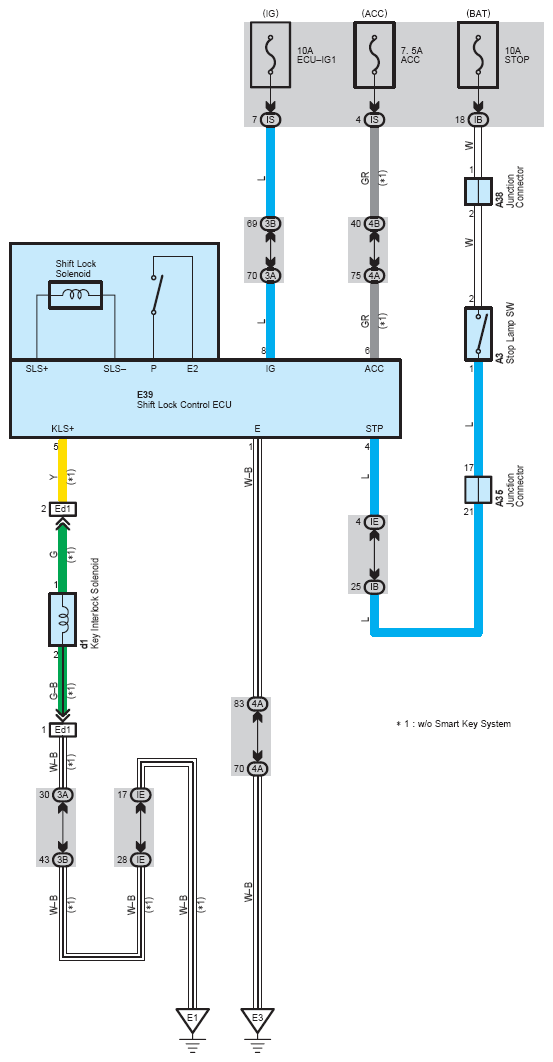
Shift Lock

Fig 1: Shift Lock System Wiring Diagram
G07130582Courtesy of © TOYOTA, LICENSE AGREEMENT TMS1002