LEMON Manuals: Even more car manuals for everyone: 1960-2025
Home >> Toyota >> 2011 >> RAV4 Base, 2.5 F, AWD >> Repair and Diagnosis >> Electrical >> Body Electrical >> OEM System Circuits >> Front Fog Light >> Notes
April 5, 2026: LEMON Manuals is launched! Read the announcement.

Front Fog Light: Notes

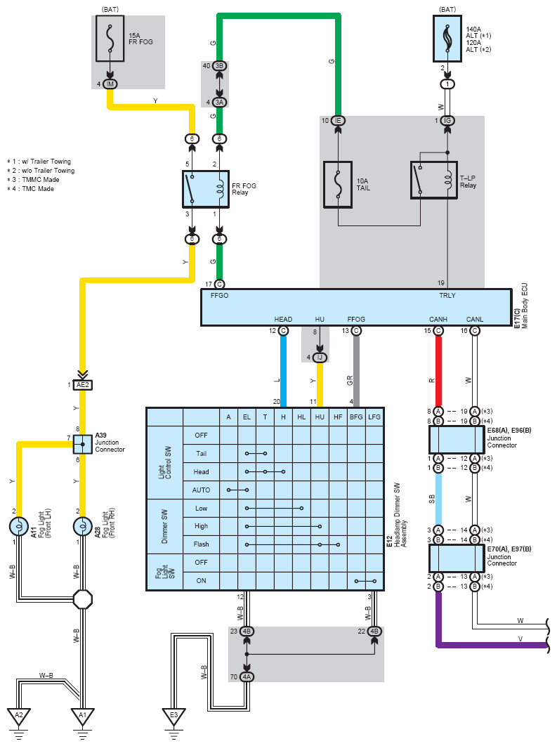
Fig 1: Front Fog Light System Wiring Diagram (1 Of 2)
G07130538Courtesy of © TOYOTA, LICENSE AGREEMENT TMS1002
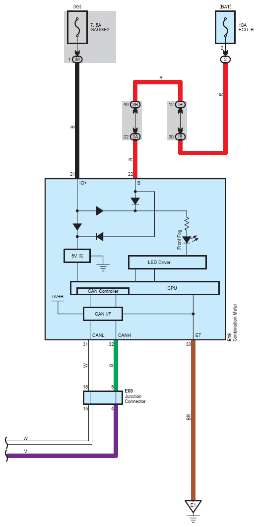
Fig 2: Front Fog Light System Wiring Diagram (2 Of 2)
G07130539Courtesy of © TOYOTA, LICENSE AGREEMENT TMS1002