LEMON Manuals: Even more car manuals for everyone: 1960-2025
Home >> Toyota >> 2011 >> RAV4 Base, 2.5 F, AWD >> Repair and Diagnosis >> Electrical >> Body Electrical >> OEM System Circuits >> Manual Air Conditioning >> Notes
April 5, 2026: LEMON Manuals is launched! Read the announcement.

Manual Air Conditioning: Notes

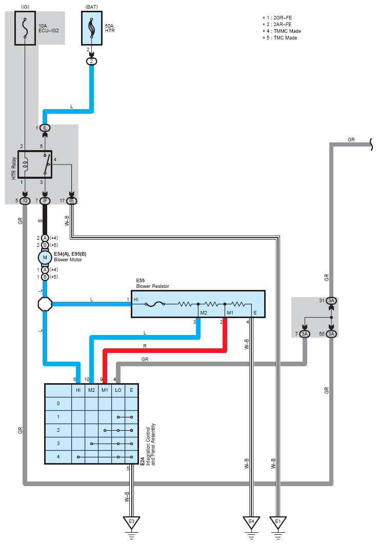
Fig 1: Manual Air Conditioning System Wiring Diagram (1 Of 5)
G07130664Courtesy of © TOYOTA, LICENSE AGREEMENT TMS1002
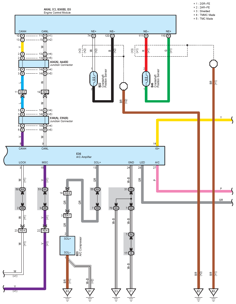
Fig 2: Manual Air Conditioning System Wiring Diagram (2 Of 5)
G07130665Courtesy of © TOYOTA, LICENSE AGREEMENT TMS1002
Fig 3: Manual Air Conditioning System Wiring Diagram (3 Of 5)
G07130666Courtesy of © TOYOTA, LICENSE AGREEMENT TMS1002
Fig 4: Manual Air Conditioning System Wiring Diagram (4 Of 5)
G07130667Courtesy of © TOYOTA, LICENSE AGREEMENT TMS1002
Fig 5: Manual Air Conditioning System Wiring Diagram (5 Of 5)
G07130668Courtesy of © TOYOTA, LICENSE AGREEMENT TMS1002