LEMON Manuals: Even more car manuals for everyone: 1960-2025
Home >> Toyota >> 2011 >> RAV4 Base, 2.5 F, AWD >> Repair and Diagnosis >> Electrical >> Body Electrical >> OEM System Circuits >> SRS >> Notes
April 5, 2026: LEMON Manuals is launched! Read the announcement.

OEM System Circuits: SRS: Notes

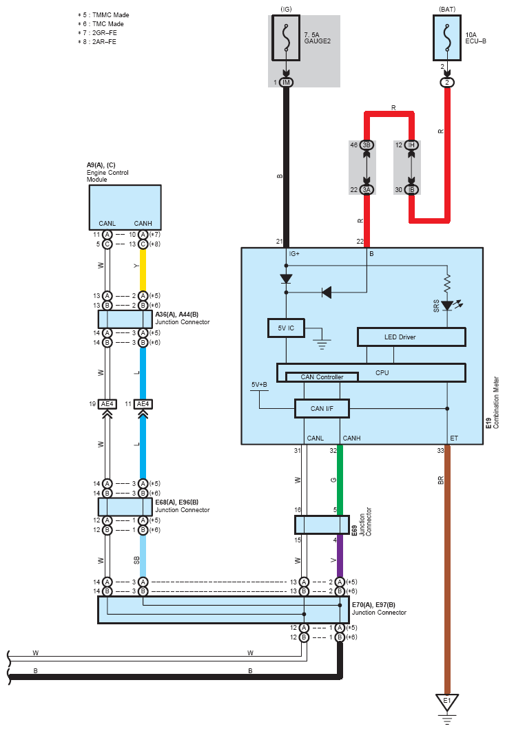
Fig 1: SRS System Wiring Diagram (1 Of 4)
G07130624Courtesy of © TOYOTA, LICENSE AGREEMENT TMS1002
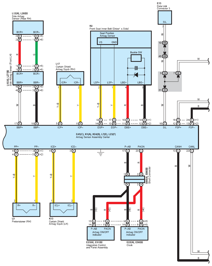
Fig 2: SRS System Wiring Diagram (2 Of 4)
G07130625Courtesy of © TOYOTA, LICENSE AGREEMENT TMS1002
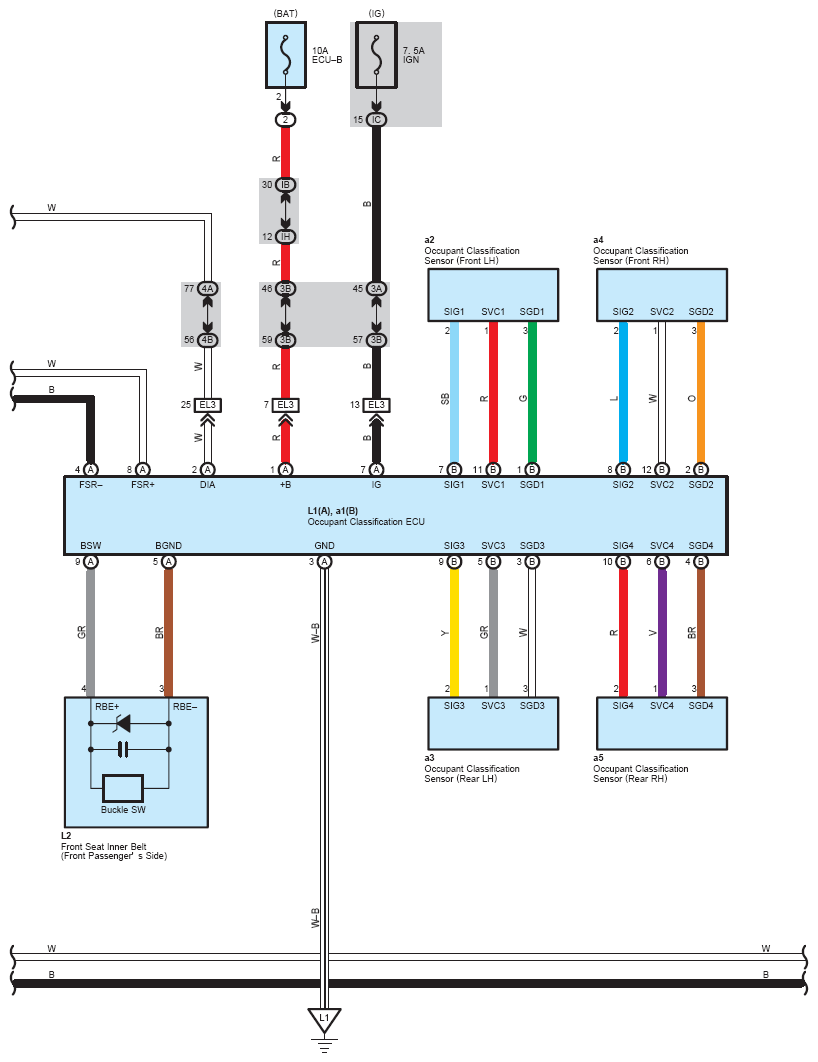
Fig 3: SRS System Wiring Diagram (3 Of 4)
G07130626Courtesy of © TOYOTA, LICENSE AGREEMENT TMS1002
Fig 4: SRS System Wiring Diagram (4 Of 4)
G07130627Courtesy of © TOYOTA, LICENSE AGREEMENT TMS1002