LEMON Manuals: Even more car manuals for everyone: 1960-2025
Home >> Toyota >> 2011 >> RAV4 Base, 2.5 F, FWD >> Repair and Diagnosis >> External Pages >> Different variant/trim >> Section 39 (Smart Key System (Keyless Start) (2GR-FE) (Diagnostics - Introduction)) >> Smart Key System >> System Diagram >> System Diagram
April 5, 2026: LEMON Manuals is launched! Read the announcement.

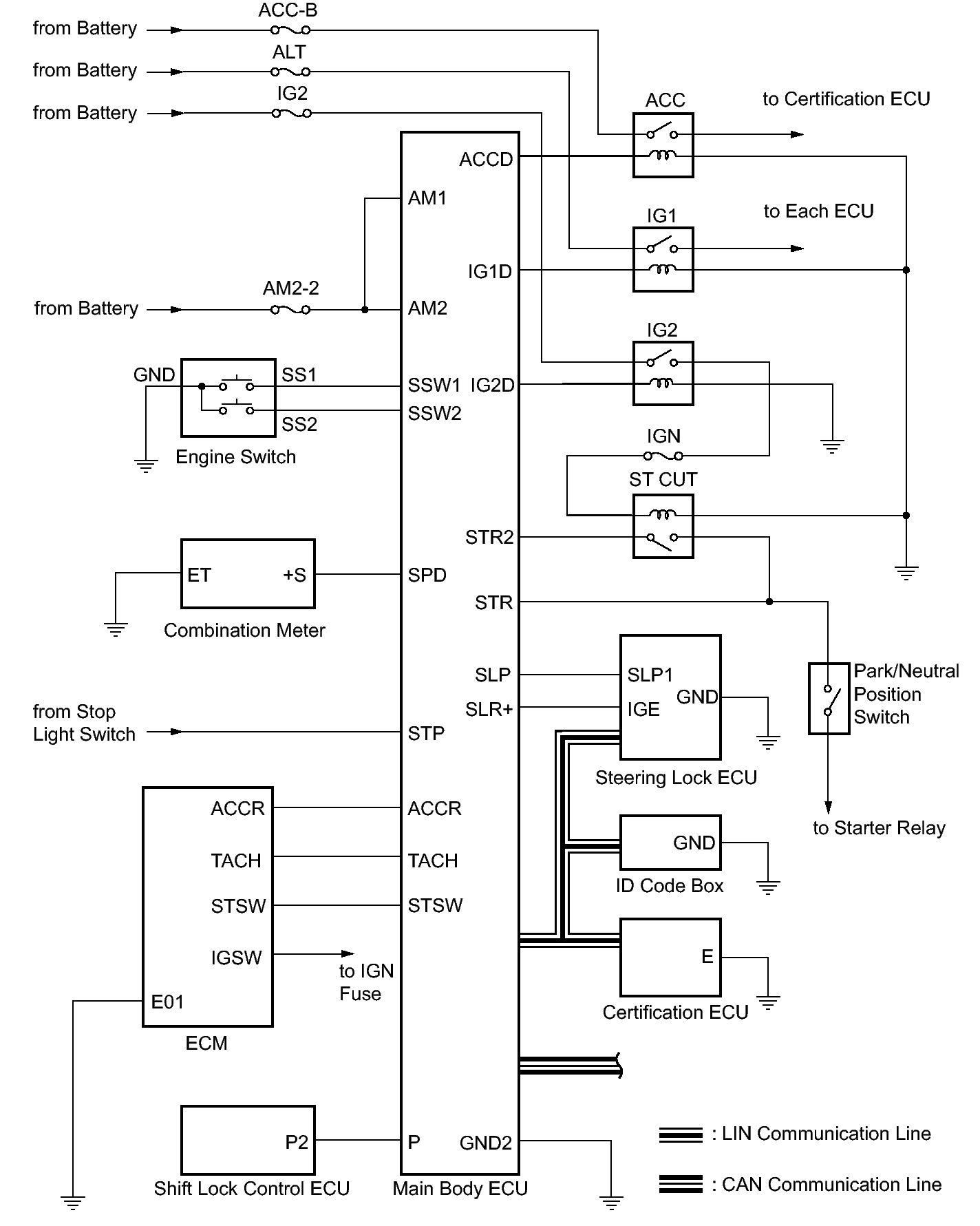
System Diagram

WARNING: This page is about a different variant/trim than selected.
Fig 1: Smart Key System Diagram
GTY245502Courtesy of © TOYOTA, LICENSE AGREEMENT TMS1002
COMMUNICATION TABLE

Sender Receiver Signal Line
ECM Main body ECU Engine speed signal CAN
Combination meter Main body ECU Vehicle speed signal CAN
Steering lock ECU Main body ECU Steering lock/unlock signal LIN
Certification ECU Main body ECU LIN master signal LIN
Main body ECU ID code box ID required signal LIN
Main body ECU Certification ECU Key existence condition signal LIN