LEMON Manuals: Even more car manuals for everyone: 1960-2025
Home >> Toyota >> 2011 >> RAV4 Limited, 2.5 F, FWD >> Repair and Diagnosis >> Engine Performance >> System >> Engine Control System (2AR-FE) (Diagnostics - Introduction) >> SFI System >> System Diagram >> System Diagram
April 5, 2026: LEMON Manuals is launched! Read the announcement.

System Diagram

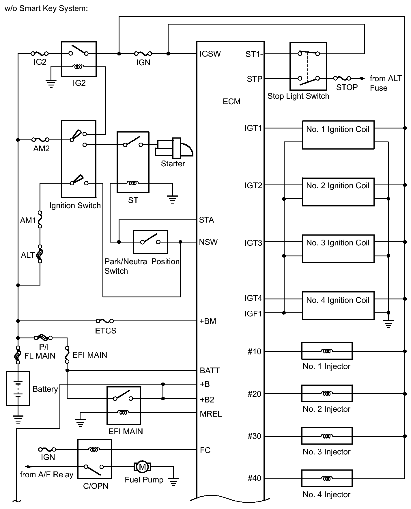
Fig 1: SFI System Circuit Diagram (W/O Smart Key System (1 Of 4)
GTY225694Courtesy of © TOYOTA, LICENSE AGREEMENT TMS1002
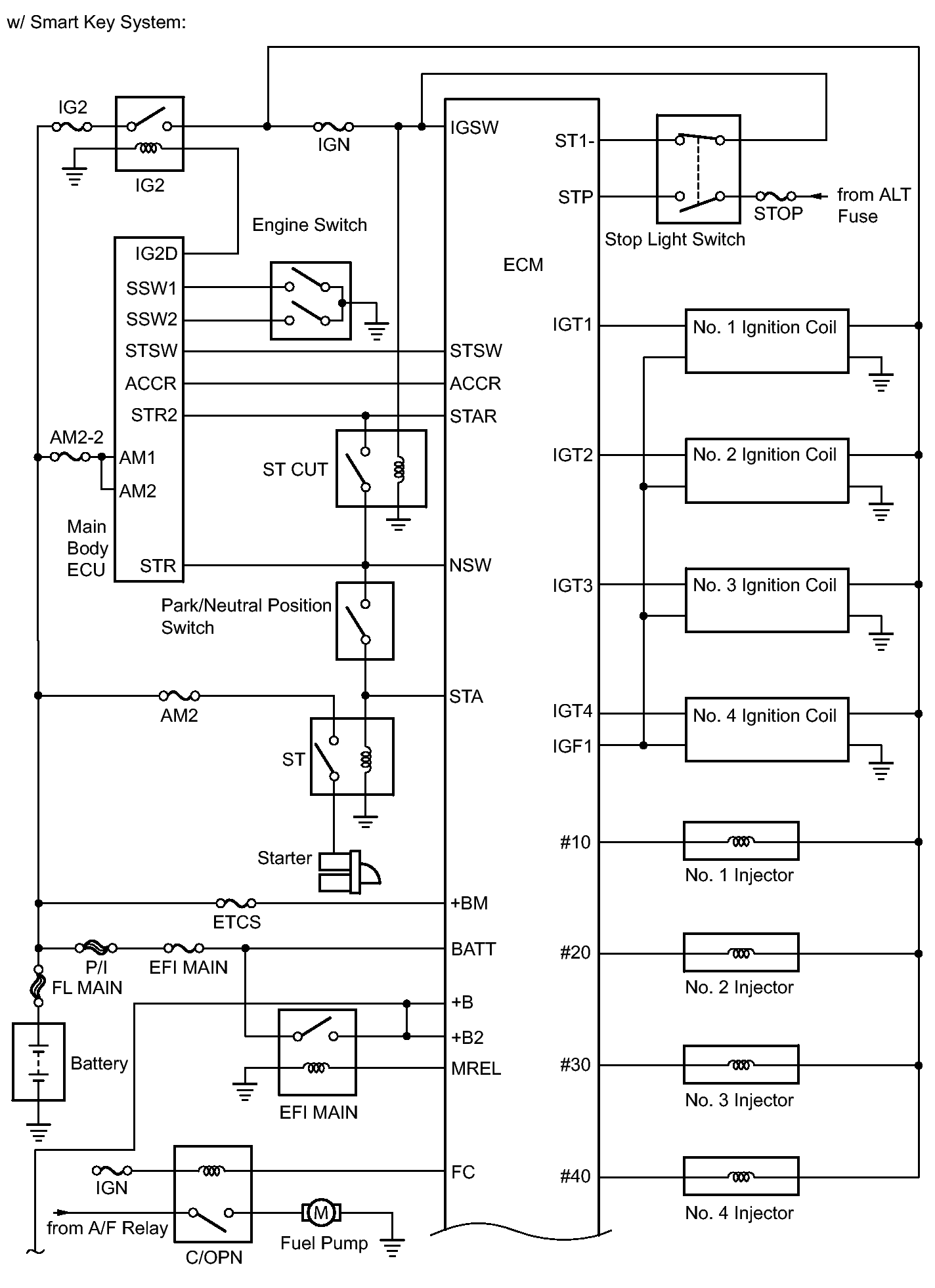
Fig 2: SFI System Circuit Diagram (W/ Smart Key System) (2 Of 4)
GTY309530Courtesy of © TOYOTA, LICENSE AGREEMENT TMS1002
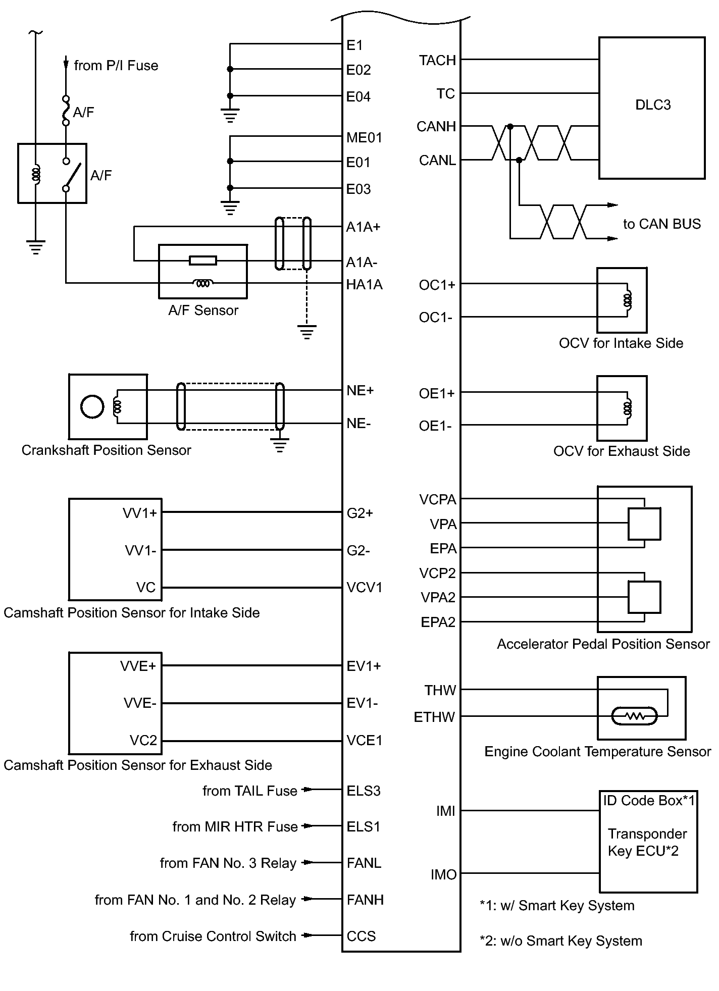
Fig 3: SFI System Circuit Diagram (3 Of 4)
GTY238593Courtesy of © TOYOTA, LICENSE AGREEMENT TMS1002
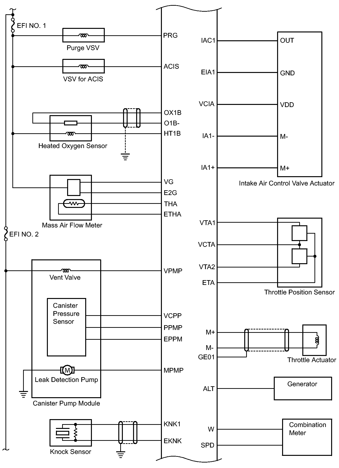
Fig 4: SFI System Circuit Diagram (4 Of 4)
GTY238660Courtesy of © TOYOTA, LICENSE AGREEMENT TMS1002