LEMON Manuals: Even more car manuals for everyone: 1960-2025
Home >> Toyota >> 2011 >> Sienna Base, Van Cargo >> Repair and Diagnosis >> Engine Performance >> System >> Engine Control SFI System (2GR-FE) (Diagnostics - Introduction) >> SFI System >> System Diagram >> System Diagram
April 5, 2026: LEMON Manuals is launched! Read the announcement.

System Diagram

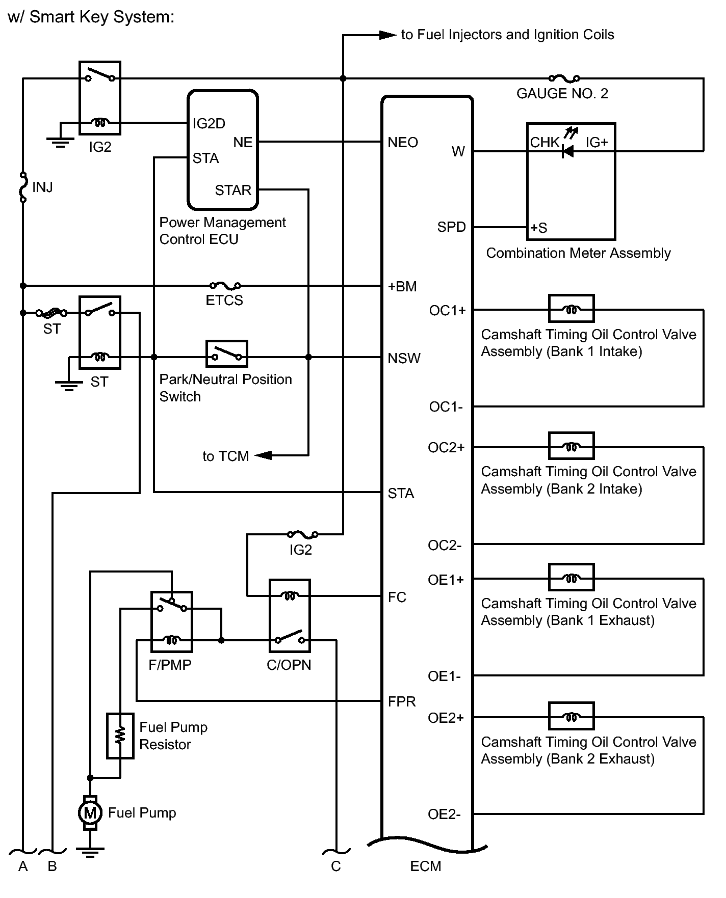
Fig 1: SFI System Circuit Diagram (w/ Smart Key System) (1 Of 6)
GTY305251Courtesy of © TOYOTA, LICENSE AGREEMENT TMS1002
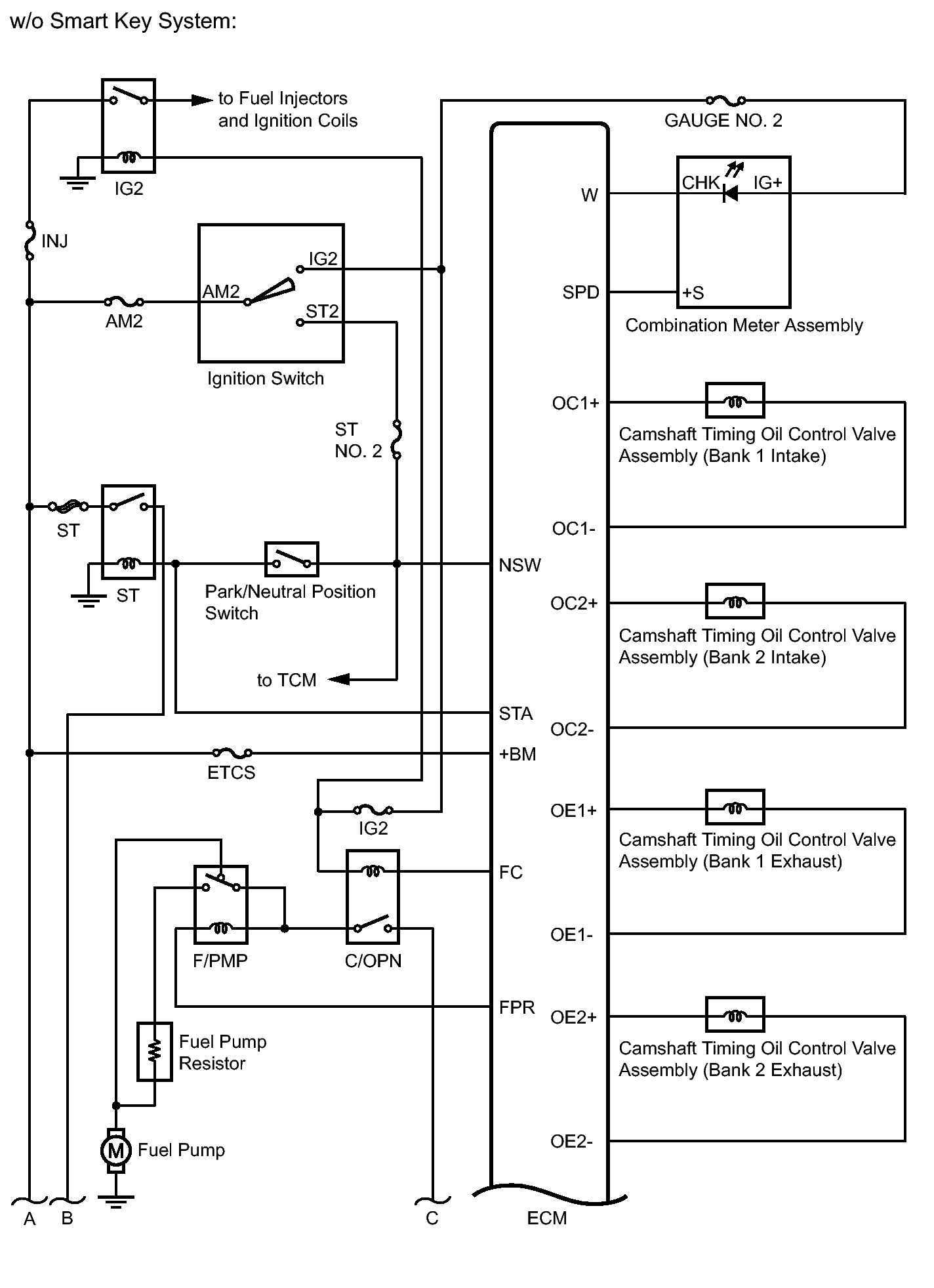
Fig 2: SFI System Circuit Diagram (w/o Smart Key System) (2 Of 6)
GTY307326Courtesy of © TOYOTA, LICENSE AGREEMENT TMS1002
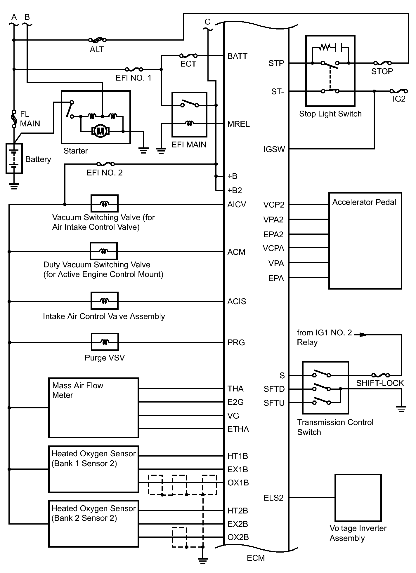
Fig 3: SFI System Circuit Diagram (3 Of 6)
GTY300728Courtesy of © TOYOTA, LICENSE AGREEMENT TMS1002
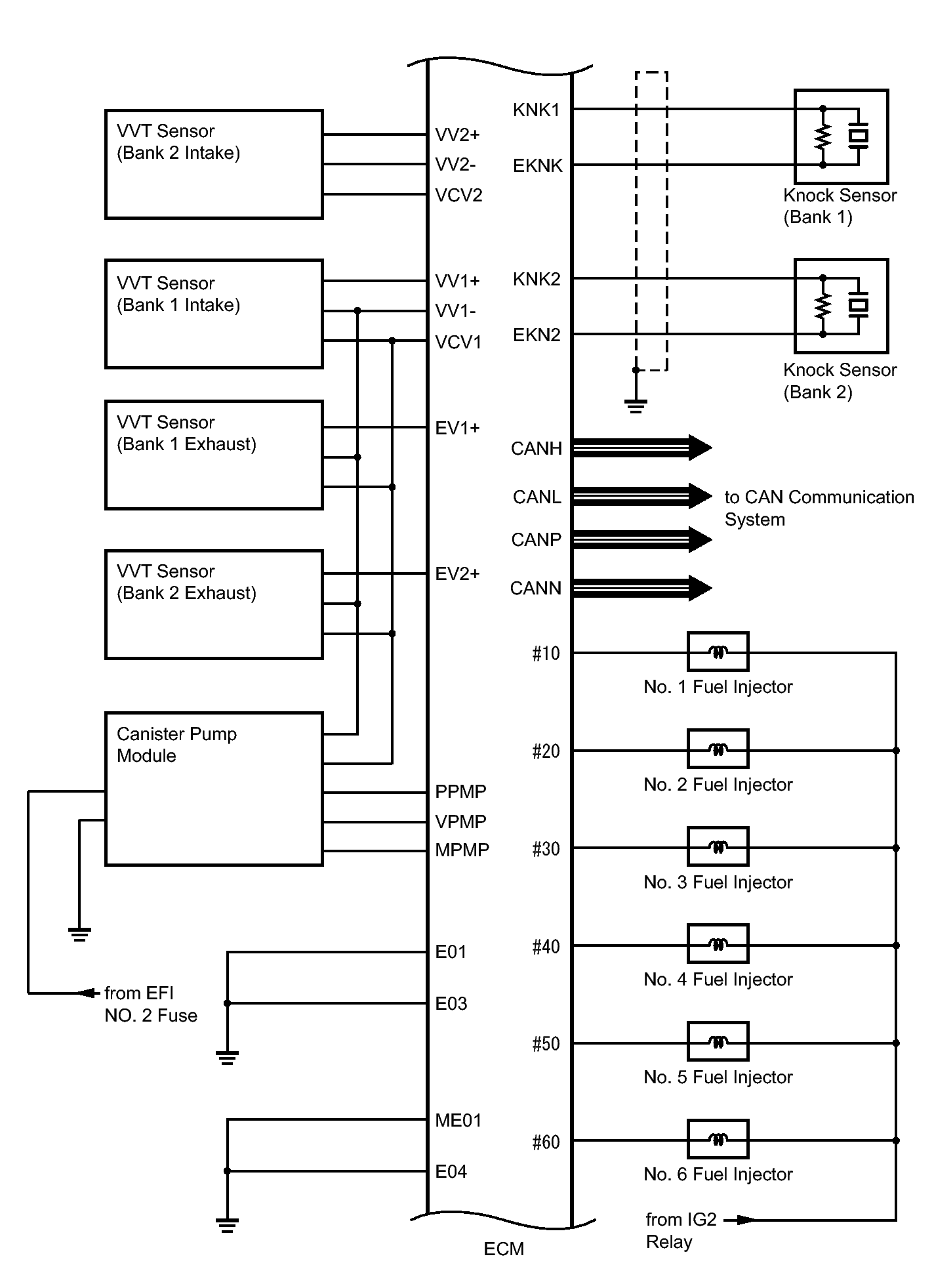
Fig 4: SFI System Circuit Diagram (4 Of 6)
GTY297251Courtesy of © TOYOTA, LICENSE AGREEMENT TMS1002
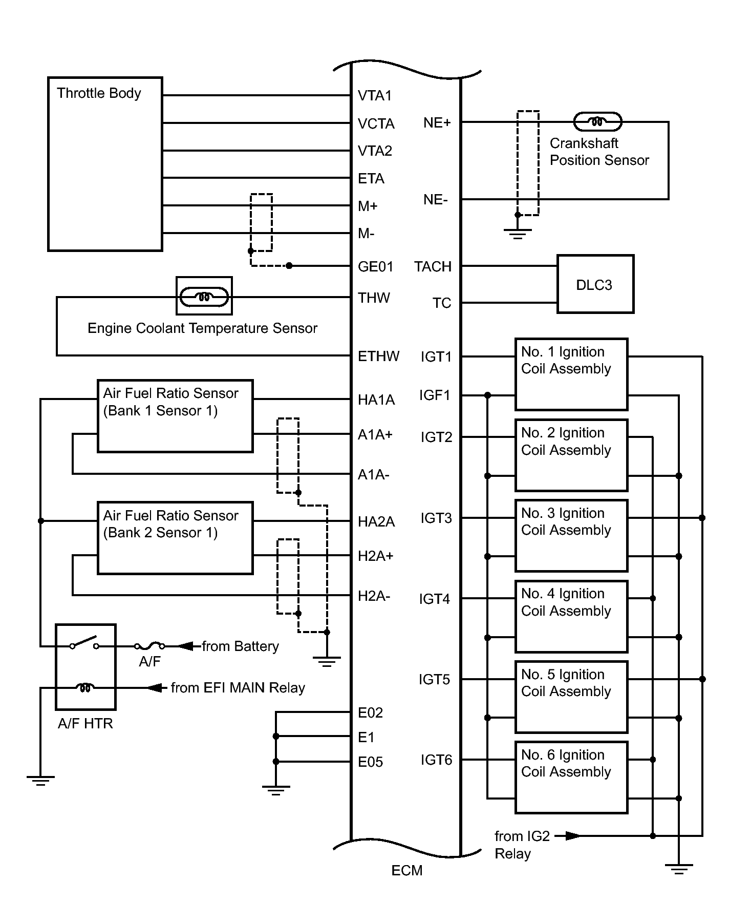
Fig 5: SFI System Circuit Diagram (5 Of 6)
GTY297587Courtesy of © TOYOTA, LICENSE AGREEMENT TMS1002
Fig 6: SFI System Circuit Diagram (6 Of 6)
GTY298629Courtesy of © TOYOTA, LICENSE AGREEMENT TMS1002