LEMON Manuals: Even more car manuals for everyone: 1960-2025
Home >> Toyota >> 2012 >> 4Runner Trail >> Repair and Diagnosis >> Electrical >> Body Electrical >> OEM System Circuits >> Power Steering >> Notes
April 5, 2026: LEMON Manuals is launched! Read the announcement.

Power Steering: Notes

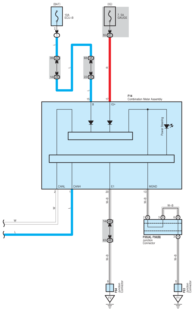
Fig 1: Power Steering System Wiring Diagram (1 Of 5)
G08792366Courtesy of © TOYOTA, LICENSE AGREEMENT TMS1002
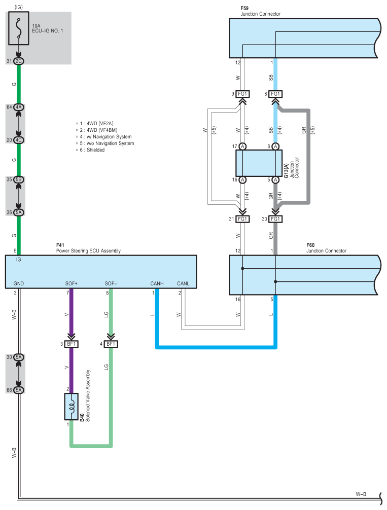
Fig 2: Power Steering System Wiring Diagram (2 Of 5)
G08792367Courtesy of © TOYOTA, LICENSE AGREEMENT TMS1002
Fig 3: Power Steering System Wiring Diagram (3 Of 5)
G08792368Courtesy of © TOYOTA, LICENSE AGREEMENT TMS1002
Fig 4: Power Steering System Wiring Diagram (4 Of 5)
G08792369Courtesy of © TOYOTA, LICENSE AGREEMENT TMS1002
Fig 5: Power Steering System Wiring Diagram (5 Of 5)
G08792370Courtesy of © TOYOTA, LICENSE AGREEMENT TMS1002