LEMON Manuals: Even more car manuals for everyone: 1960-2025
Home >> Toyota >> 2012 >> 4Runner Trail >> Repair and Diagnosis >> Electrical >> Body Electrical >> OEM System Circuits >> Wireless Door Lock Control (w/o Smart Key System) >> Notes
April 5, 2026: LEMON Manuals is launched! Read the announcement.

Wireless Door Lock Control (w/o Smart Key System): Notes

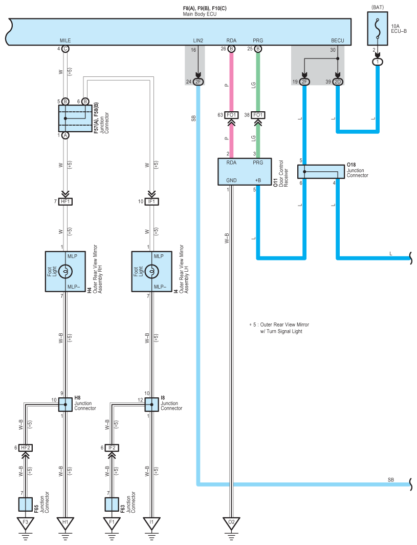
Fig 1: Wireless Door Lock Control (w/o Smart Key) System Wiring Diagram (1 Of 9)
G08792298Courtesy of © TOYOTA, LICENSE AGREEMENT TMS1002
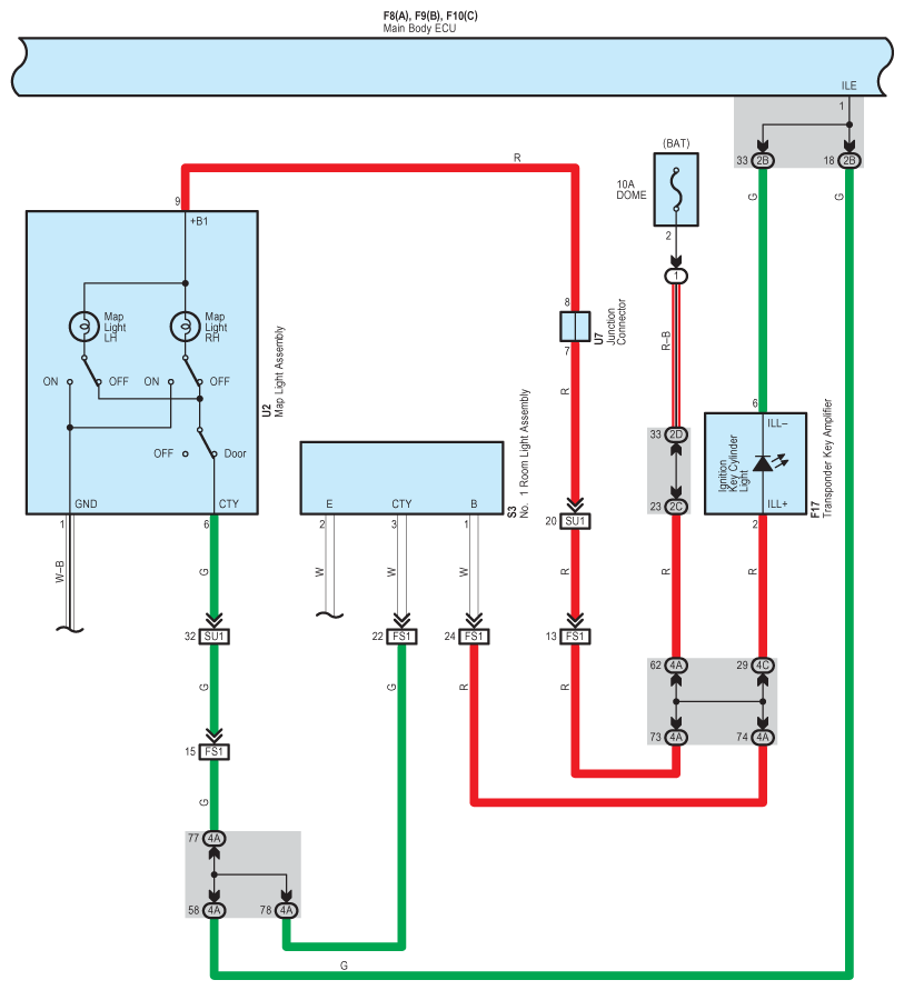
Fig 2: Wireless Door Lock Control (w/o Smart Key) System Wiring Diagram (2 Of 9)
G08792299Courtesy of © TOYOTA, LICENSE AGREEMENT TMS1002
Fig 3: Wireless Door Lock Control (w/o Smart Key) System Wiring Diagram (3 Of 9)
G08792300Courtesy of © TOYOTA, LICENSE AGREEMENT TMS1002
Fig 4: Wireless Door Lock Control (w/o Smart Key) System Wiring Diagram (4 Of 9)
G08792301Courtesy of © TOYOTA, LICENSE AGREEMENT TMS1002
Fig 5: Wireless Door Lock Control (w/o Smart Key) System Wiring Diagram (5 Of 9)
G08792302Courtesy of © TOYOTA, LICENSE AGREEMENT TMS1002
Fig 6: Wireless Door Lock Control (w/o Smart Key) System Wiring Diagram (6 Of 9)
G08792303Courtesy of © TOYOTA, LICENSE AGREEMENT TMS1002
Fig 7: Wireless Door Lock Control (w/o Smart Key) System Wiring Diagram (7 Of 9)
G08792304Courtesy of © TOYOTA, LICENSE AGREEMENT TMS1002
Fig 8: Wireless Door Lock Control (w/o Smart Key) System Wiring Diagram (8 Of 9)
G08792305Courtesy of © TOYOTA, LICENSE AGREEMENT TMS1002
Fig 9: Wireless Door Lock Control (w/o Smart Key) System Wiring Diagram (9 Of 9)
G08792306Courtesy of © TOYOTA, LICENSE AGREEMENT TMS1002