LEMON Manuals: Even more car manuals for everyone: 1960-2025
Home >> Toyota >> 2012 >> Avalon Base >> Repair and Diagnosis (Single Page) >> Electrical >> Body Electrical >> OEM System Circuits >> Audio System (w/Navigation System), Navigation System and Parking Assist (Rear View Monitor w/Navigation System) >> Notes
April 5, 2026: LEMON Manuals is launched! Read the announcement.

Audio System (w/Navigation System), Navigation System and Parking Assist (Rear View Monitor w/Navigation System): Notes

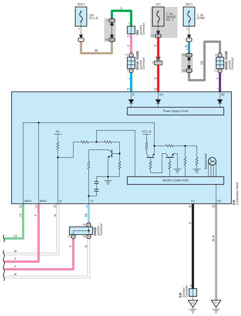
Fig 1: Audio System, Navigation System And Parking Assist (Rear View Monitor W/ Navigation System) System Wiring Diagram (1 Of 9)
G08797500Courtesy of © TOYOTA, LICENSE AGREEMENT TMS1002
Fig 2: Audio System, Navigation System And Parking Assist (Rear View Monitor W/ Navigation System) System Wiring Diagram (2 Of 9)
G08797501Courtesy of © TOYOTA, LICENSE AGREEMENT TMS1002
Fig 3: Audio System, Navigation System And Parking Assist (Rear View Monitor W/ Navigation System) System Wiring Diagram (3 Of 9)
G08797502Courtesy of © TOYOTA, LICENSE AGREEMENT TMS1002
Fig 4: Audio System, Navigation System And Parking Assist (Rear View Monitor W/ Navigation System) System Wiring Diagram (4 Of 9)
G08797503Courtesy of © TOYOTA, LICENSE AGREEMENT TMS1002
Fig 5: Audio System, Navigation System And Parking Assist (Rear View Monitor W/ Navigation System) System Wiring Diagram (5 Of 9)
G08797504Courtesy of © TOYOTA, LICENSE AGREEMENT TMS1002
Fig 6: Audio System, Navigation System And Parking Assist (Rear View Monitor W/ Navigation System) System Wiring Diagram (6 Of 9)
G08797505Courtesy of © TOYOTA, LICENSE AGREEMENT TMS1002
Fig 7: Audio System, Navigation System And Parking Assist (Rear View Monitor W/ Navigation System) System Wiring Diagram (7 Of 9)
G08797506Courtesy of © TOYOTA, LICENSE AGREEMENT TMS1002
Fig 8: Audio System, Navigation System And Parking Assist (Rear View Monitor W/ Navigation System) System Wiring Diagram (8 Of 9)
G08797507Courtesy of © TOYOTA, LICENSE AGREEMENT TMS1002
Fig 9: Audio System, Navigation System And Parking Assist (Rear View Monitor W/ Navigation System) System Wiring Diagram (9 Of 9)
G08797508Courtesy of © TOYOTA, LICENSE AGREEMENT TMS1002