LEMON Manuals: Even more car manuals for everyone: 1960-2025
Home >> Toyota >> 2012 >> Avalon Base >> Repair and Diagnosis (Single Page) >> Electrical >> Body Electrical >> OEM System Circuits >> Engine Immobilizer System (w/o Smart Key System) >> Notes
April 5, 2026: LEMON Manuals is launched! Read the announcement.

Engine Immobilizer System (w/o Smart Key System): Notes

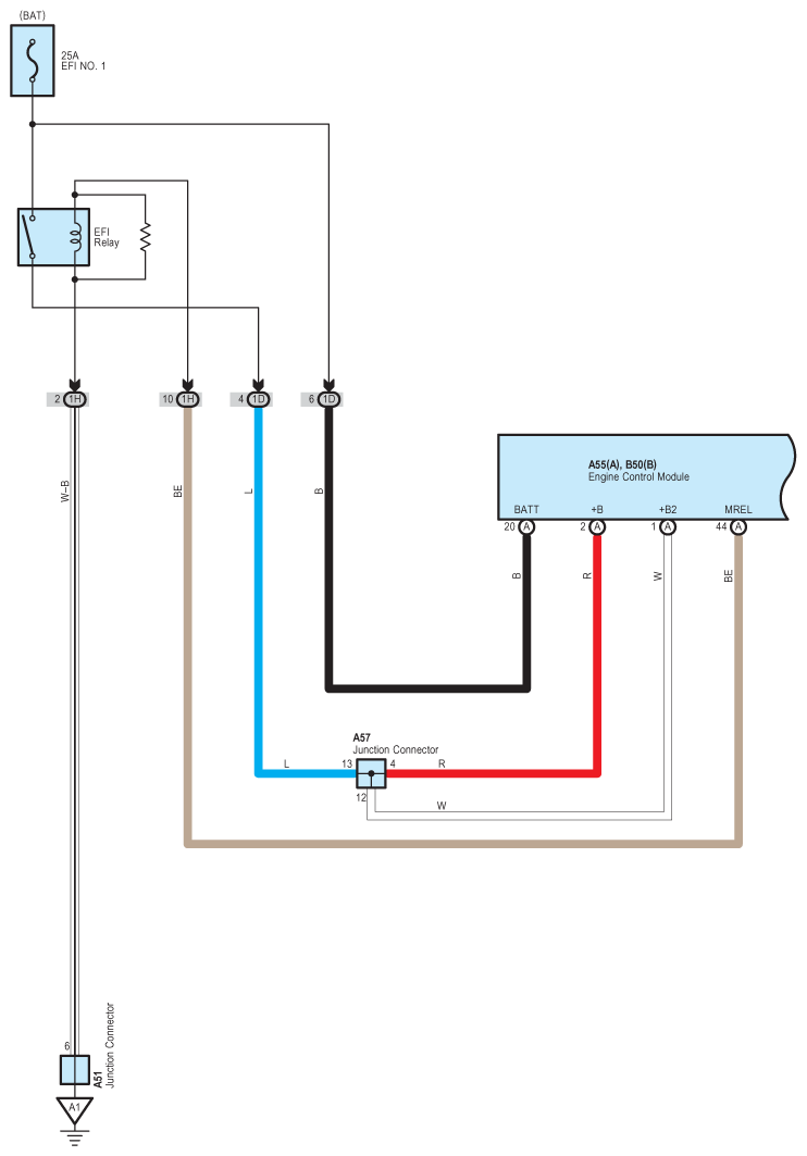
Fig 1: Engine Immobilizer System (w/o Smart Key System) Wiring Diagram (1 Of 3)
G08797324Courtesy of © TOYOTA, LICENSE AGREEMENT TMS1002
Fig 2: Engine Immobilizer System (w/o Smart Key System) Wiring Diagram (2 Of 3)
G08797325Courtesy of © TOYOTA, LICENSE AGREEMENT TMS1002
Fig 3: Engine Immobilizer System (w/o Smart Key System) Wiring Diagram (3 Of 3)
G08797326Courtesy of © TOYOTA, LICENSE AGREEMENT TMS1002