LEMON Manuals: Even more car manuals for everyone: 1960-2025
Home >> Toyota >> 2012 >> Avalon Base >> Repair and Diagnosis (Single Page) >> Electrical >> Motors, Switches, Relays >> OEM System Circuits >> Engine Immobilizer System (w/Smart Key System), Smart Key System, Starting (w/Smart Key System) and Steering Lock (w/Smart Key System) >> Notes
April 5, 2026: LEMON Manuals is launched! Read the announcement.

Engine Immobilizer System (w/Smart Key System), Smart Key System, Starting (w/Smart Key System) and Steering Lock (w/Smart Key System): Notes

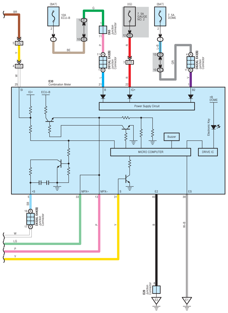
Fig 1: Engine Immobilizer System, Smart Key System, Starting And Steering Lock W/ Smart Key System) System Wiring Diagram (1 Of 11)
G08797295Courtesy of © TOYOTA, LICENSE AGREEMENT TMS1002
Fig 2: Engine Immobilizer System, Smart Key System, Starting And Steering Lock W/ Smart Key System) System Wiring Diagram (2 Of 11)
G08797296Courtesy of © TOYOTA, LICENSE AGREEMENT TMS1002
Fig 3: Engine Immobilizer System, Smart Key System, Starting And Steering Lock W/ Smart Key System) System Wiring Diagram (3 Of 11)
G08797297Courtesy of © TOYOTA, LICENSE AGREEMENT TMS1002
Fig 4: Engine Immobilizer System, Smart Key System, Starting And Steering Lock W/ Smart Key System) System Wiring Diagram (4 Of 11)
G08797298Courtesy of © TOYOTA, LICENSE AGREEMENT TMS1002
Fig 5: Engine Immobilizer System, Smart Key System, Starting And Steering Lock W/ Smart Key System) System Wiring Diagram (5 Of 11)
G08797299Courtesy of © TOYOTA, LICENSE AGREEMENT TMS1002
Fig 6: Engine Immobilizer System, Smart Key System, Starting And Steering Lock W/ Smart Key System) System Wiring Diagram (6 Of 11)
G08797300Courtesy of © TOYOTA, LICENSE AGREEMENT TMS1002
Fig 7: Engine Immobilizer System, Smart Key System, Starting And Steering Lock W/ Smart Key System) System Wiring Diagram (7 Of 11)
G08797301Courtesy of © TOYOTA, LICENSE AGREEMENT TMS1002
Fig 8: Engine Immobilizer System, Smart Key System, Starting And Steering Lock W/ Smart Key System) System Wiring Diagram (8 Of 11)
G08797302Courtesy of © TOYOTA, LICENSE AGREEMENT TMS1002
Fig 9: Engine Immobilizer System, Smart Key System, Starting And Steering Lock W/ Smart Key System) System Wiring Diagram (9 Of 11)
G08797303Courtesy of © TOYOTA, LICENSE AGREEMENT TMS1002
Fig 10: Engine Immobilizer System, Smart Key System, Starting And Steering Lock W/ Smart Key System) System Wiring Diagram (10 Of 11)
G08797304Courtesy of © TOYOTA, LICENSE AGREEMENT TMS1002
Fig 11: Engine Immobilizer System, Smart Key System, Starting And Steering Lock W/ Smart Key System) System Wiring Diagram (11 Of 11)
G08797305Courtesy of © TOYOTA, LICENSE AGREEMENT TMS1002