LEMON Manuals: Even more car manuals for everyone: 1960-2025
Home >> Toyota >> 2012 >> Avalon Base >> Repair and Diagnosis >> Electrical >> Body Electrical >> OEM System Circuits >> ABS, TRAC and VSC >> Notes
April 5, 2026: LEMON Manuals is launched! Read the announcement.

ABS, TRAC and VSC: Notes

Fig 1: ABS, TRAC And VSC System Wiring Diagram (1 Of 5)
G08797435Courtesy of © TOYOTA, LICENSE AGREEMENT TMS1002
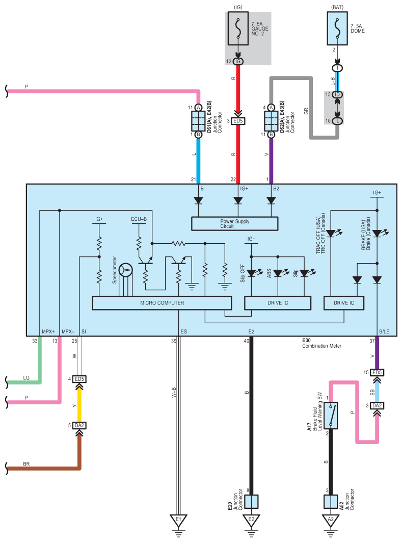
Fig 2: ABS, TRAC And VSC System Wiring Diagram (2 Of 5)
G08797436Courtesy of © TOYOTA, LICENSE AGREEMENT TMS1002
Fig 3: ABS, TRAC And VSC System Wiring Diagram (3 Of 5)
G08797437Courtesy of © TOYOTA, LICENSE AGREEMENT TMS1002
Fig 4: ABS, TRAC And VSC System Wiring Diagram (4 Of 5)
G08797438Courtesy of © TOYOTA, LICENSE AGREEMENT TMS1002
Fig 5: ABS, TRAC And VSC System Wiring Diagram (5 Of 5)
G08797439Courtesy of © TOYOTA, LICENSE AGREEMENT TMS1002