LEMON Manuals: Even more car manuals for everyone: 1960-2025
Home >> Toyota >> 2012 >> Avalon Base >> Repair and Diagnosis >> Electrical >> Body Electrical >> OEM System Circuits >> Light Auto Turn Off System >> Notes
April 5, 2026: LEMON Manuals is launched! Read the announcement.

Light Auto Turn Off System: Notes

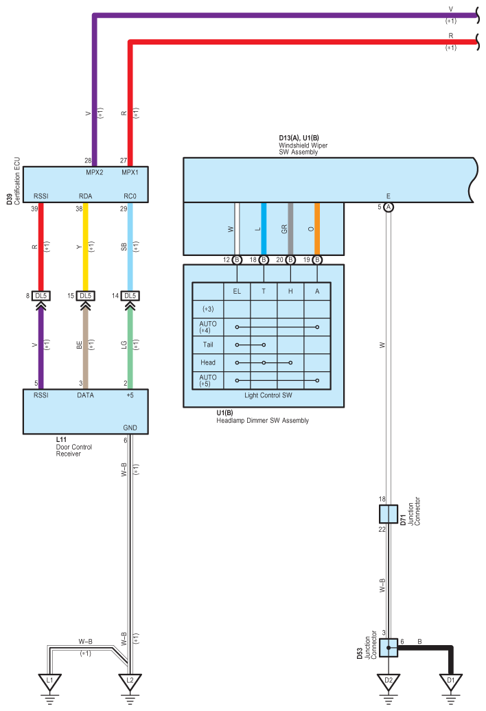
Fig 1: Light Auto Turn Off System Wiring Diagram (1 Of 4)
G08797346Courtesy of © TOYOTA, LICENSE AGREEMENT TMS1002
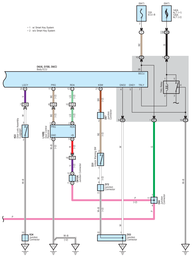
Fig 2: Light Auto Turn Off System Wiring Diagram (2 Of 4)
G08797347Courtesy of © TOYOTA, LICENSE AGREEMENT TMS1002
Fig 3: Light Auto Turn Off System Wiring Diagram (3 Of 4)
G08797348Courtesy of © TOYOTA, LICENSE AGREEMENT TMS1002
Fig 4: Light Auto Turn Off System Wiring Diagram (4 Of 4)
G08797349Courtesy of © TOYOTA, LICENSE AGREEMENT TMS1002