LEMON Manuals: Even more car manuals for everyone: 1960-2025
Home >> Toyota >> 2012 >> Avalon Base >> Repair and Diagnosis >> Electrical >> Body Electrical >> OEM System Circuits >> Power Window >> Notes
April 5, 2026: LEMON Manuals is launched! Read the announcement.

Power Window: Notes

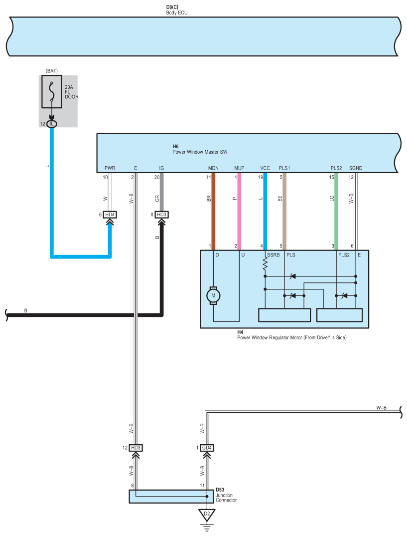
Fig 1: Power Window System Wiring Diagram (1 Of 7)
G08797391Courtesy of © TOYOTA, LICENSE AGREEMENT TMS1002
Fig 2: Power Window System Wiring Diagram (2 Of 7)
G08797392Courtesy of © TOYOTA, LICENSE AGREEMENT TMS1002
Fig 3: Power Window System Wiring Diagram (3 Of 7)
G08797393Courtesy of © TOYOTA, LICENSE AGREEMENT TMS1002
Fig 4: Power Window System Wiring Diagram (4 Of 7)
G08797394Courtesy of © TOYOTA, LICENSE AGREEMENT TMS1002
Fig 5: Power Window System Wiring Diagram (5 Of 7)
G08797395Courtesy of © TOYOTA, LICENSE AGREEMENT TMS1002
Fig 6: Power Window System Wiring Diagram (6 Of 7)
G08797396Courtesy of © TOYOTA, LICENSE AGREEMENT TMS1002
Fig 7: Power Window System Wiring Diagram (7 Of 7)
G08797397Courtesy of © TOYOTA, LICENSE AGREEMENT TMS1002