LEMON Manuals: Even more car manuals for everyone: 1960-2025
Home >> Toyota >> 2012 >> Avalon Base >> Repair and Diagnosis >> Electrical >> Charging Systems >> Charging System (Inspection) >> Charging System >> System Diagram >> System Diagram
April 5, 2026: LEMON Manuals is launched! Read the announcement.

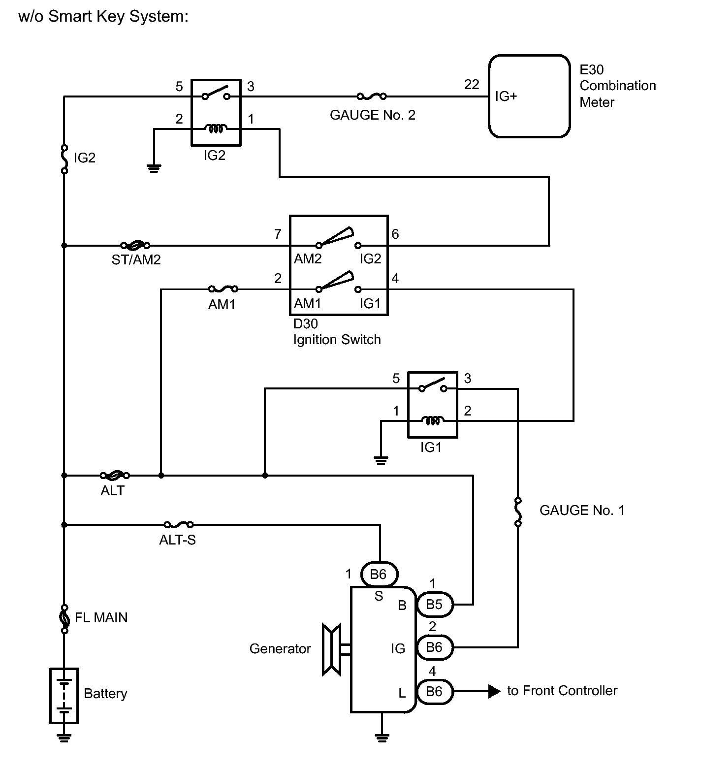
System Diagram

Fig 1: Charging System (w/o Smart Key System) - Circuit Diagram
GTY299238Courtesy of © TOYOTA, LICENSE AGREEMENT TMS1002
Fig 2: Charging System (w/ Smart Key System) - Circuit Diagram
GTY301352Courtesy of © TOYOTA, LICENSE AGREEMENT TMS1002