LEMON Manuals: Even more car manuals for everyone: 1960-2025
Home >> Toyota >> 2012 >> Camry Base >> Repair and Diagnosis (Single Page) >> Electrical >> Fuses & Circuit Breakers >> OEM Junction Block, Ecu & Fuse/Relay Locations (Except Hybrid) >> Relay Block Identification >> Engine Room Relay Block Assembly And Engine Room Junction Block Assembly Inner Circuit
April 5, 2026: LEMON Manuals is launched! Read the announcement.

Engine Room Relay Block Assembly And Engine Room Junction Block Assembly Inner Circuit

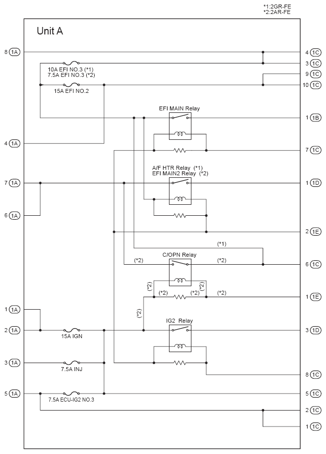
Fig 1: Engine Room Relay Block & Junction Block Assembly Inner Circuit Diagram (1 Of 4)
G08798010Courtesy of © TOYOTA, LICENSE AGREEMENT TMS1002
Engine Room R/B And J/B Inner Circuit Relay Identification

RELAY DESCRIPTION
EFI Main Relay
A/F HTR Relay(2GR-FE)
EFI Main2 Relay(2AR-FE)
C/OPN Relay
IG2 Relay
Fig 2: Engine Room Relay Block & Junction Block Assembly Inner Circuit Diagram (2 Of 4)
G08798011Courtesy of © TOYOTA, LICENSE AGREEMENT TMS1002
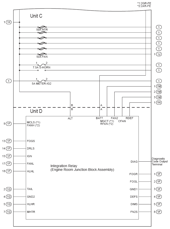
Fig 3: Engine Room Relay Block & Junction Block Assembly Inner Circuit Diagram (3 Of 4)
G08798012Courtesy of © TOYOTA, LICENSE AGREEMENT TMS1002
Engine Room R/B And J/B Inner Circuit Relay Identification

RELAY DESCRIPTION
Horn Relay
ST Relay
Fig 4: Engine Room Relay Block &Junction Block Assembly Inner Circuit Diagram (4 Of 4)
G08798013Courtesy of © TOYOTA, LICENSE AGREEMENT TMS1002
Engine Room R/B And J/B Inner Circuit Relay Identification

RELAY DESCRIPTION
Integration Relay (Engine Room Junction Block Assembly)