LEMON Manuals: Even more car manuals for everyone: 1960-2025
Home >> Toyota >> 2012 >> Corolla LE >> Repair and Diagnosis >> Body & Frame >> Seats >> Front Power Seat Control System (Inspection) >> Front Power Seat Control System >> System Diagram >> System Diagram
April 5, 2026: LEMON Manuals is launched! Read the announcement.

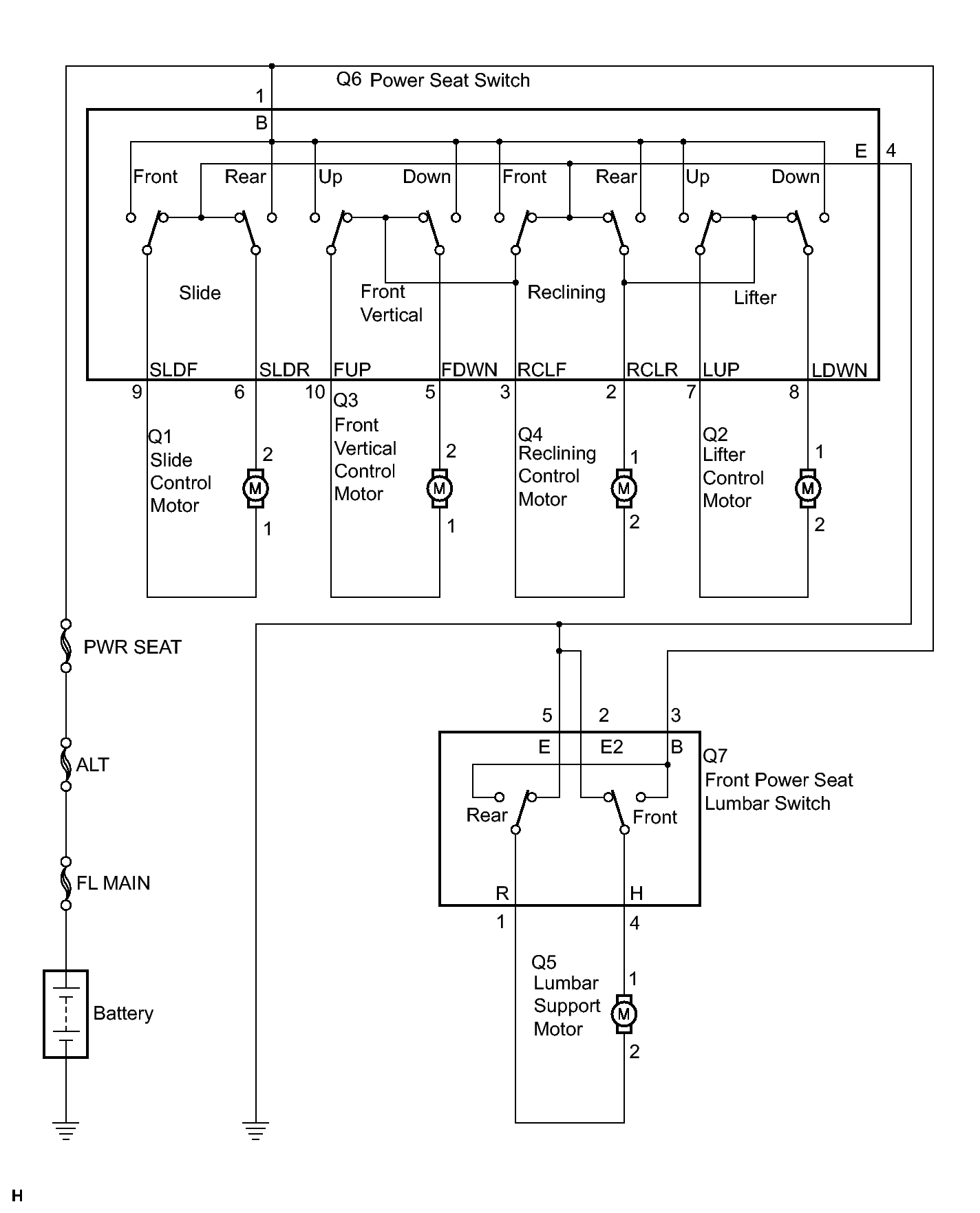
System Diagram

Fig 1: Front Power Seat Control System Circuit Diagram
GTY185790Courtesy of © TOYOTA, LICENSE AGREEMENT TMS1002