LEMON Manuals: Even more car manuals for everyone: 1960-2025
Home >> Toyota >> 2012 >> FJ Cruiser 4WD, Part Time T/Case Control >> Repair and Diagnosis >> Electrical >> Body Electrical >> OEM System Circuits >> Electronically Controlled Transmission and A/T Indicator >> Notes
April 5, 2026: LEMON Manuals is launched! Read the announcement.

Electronically Controlled Transmission and A/T Indicator: Notes

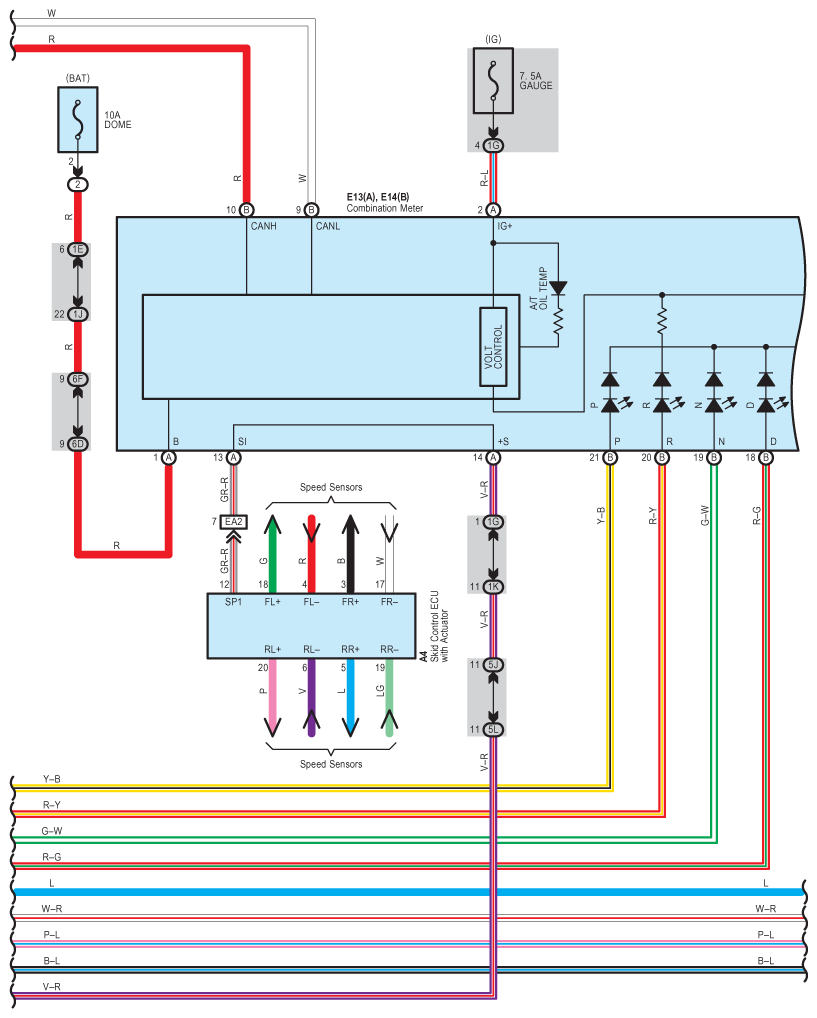
Fig 1: Electronically Controlled Transmission And A/T Indicator System Wiring Diagram (1 Of 8)
G08843595Courtesy of © TOYOTA, LICENSE AGREEMENT TMS1002
Fig 2: Electronically Controlled Transmission And A/T Indicator System Wiring Diagram (2 Of 8)
G08843596Courtesy of © TOYOTA, LICENSE AGREEMENT TMS1002
Fig 3: Electronically Controlled Transmission And A/T Indicator System Wiring Diagram (3 Of 8)
G08843597Courtesy of © TOYOTA, LICENSE AGREEMENT TMS1002
Fig 4: Electronically Controlled Transmission And A/T Indicator System Wiring Diagram (4 Of 8)
G08843598Courtesy of © TOYOTA, LICENSE AGREEMENT TMS1002
Fig 5: Electronically Controlled Transmission And A/T Indicator System Wiring Diagram (5 Of 8)
G08843599Courtesy of © TOYOTA, LICENSE AGREEMENT TMS1002
Fig 6: Electronically Controlled Transmission And A/T Indicator System Wiring Diagram (6 Of 8)
G08843600Courtesy of © TOYOTA, LICENSE AGREEMENT TMS1002
Fig 7: Electronically Controlled Transmission And A/T Indicator System Wiring Diagram (7 Of 8)
G08843601Courtesy of © TOYOTA, LICENSE AGREEMENT TMS1002
Fig 8: Electronically Controlled Transmission And A/T Indicator System Wiring Diagram (8 Of 8)
G08843602Courtesy of © TOYOTA, LICENSE AGREEMENT TMS1002