LEMON Manuals: Even more car manuals for everyone: 1960-2025
Home >> Toyota >> 2012 >> FJ Cruiser 4WD, Part Time T/Case Control >> Repair and Diagnosis >> Electrical >> Body Electrical >> OEM System Circuits >> Key Reminder >> Notes
April 5, 2026: LEMON Manuals is launched! Read the announcement.

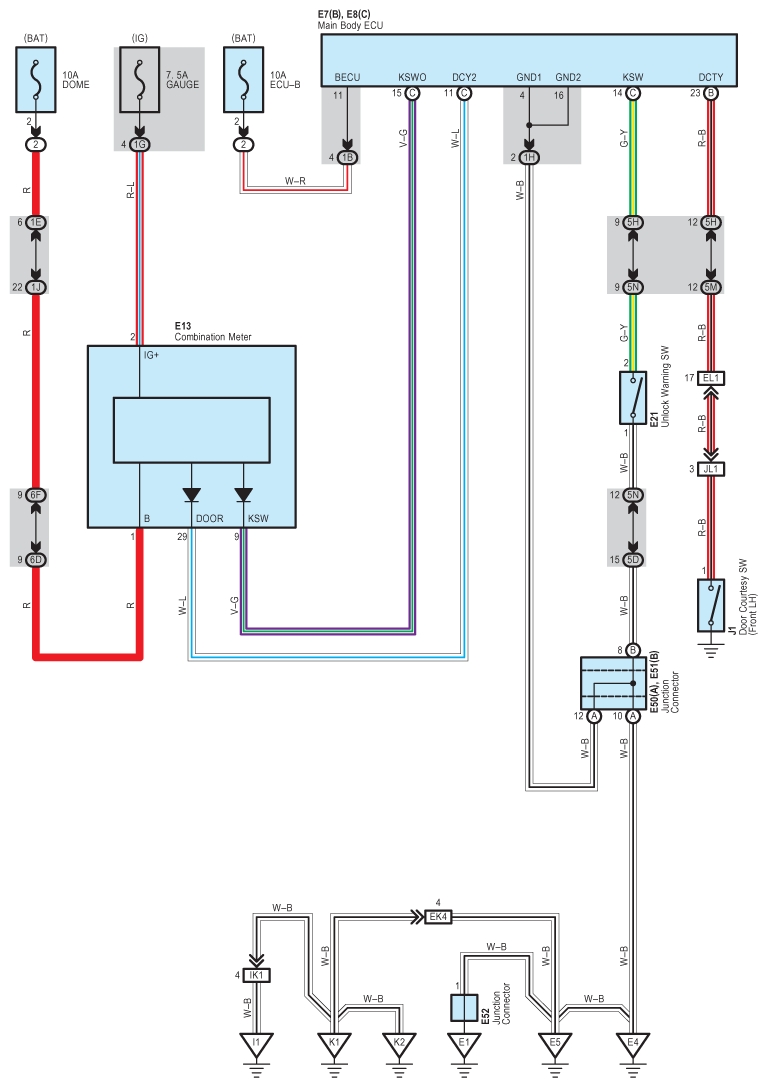
Key Reminder: Notes

Fig 1: Key Reminder System Wiring Diagram
G08843571Courtesy of © TOYOTA, LICENSE AGREEMENT TMS1002