LEMON Manuals: Even more car manuals for everyone: 1960-2025
Home >> Toyota >> 2012 >> Highlander Limited, AWD >> Repair and Diagnosis (Single Page) >> Engine Performance >> Ignition System >> Smart Key System (Keyless Start) (Diagnostic Codes & Circuit Tests) (2GR-FE) >> Smart Key System >> Circuit Tests >> Power Source Mode does not Change >> Wiring Diagram
April 5, 2026: LEMON Manuals is launched! Read the announcement.

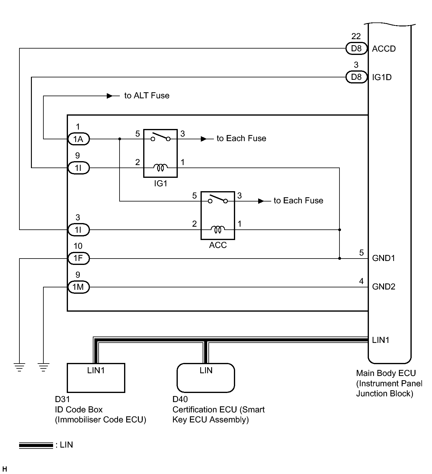
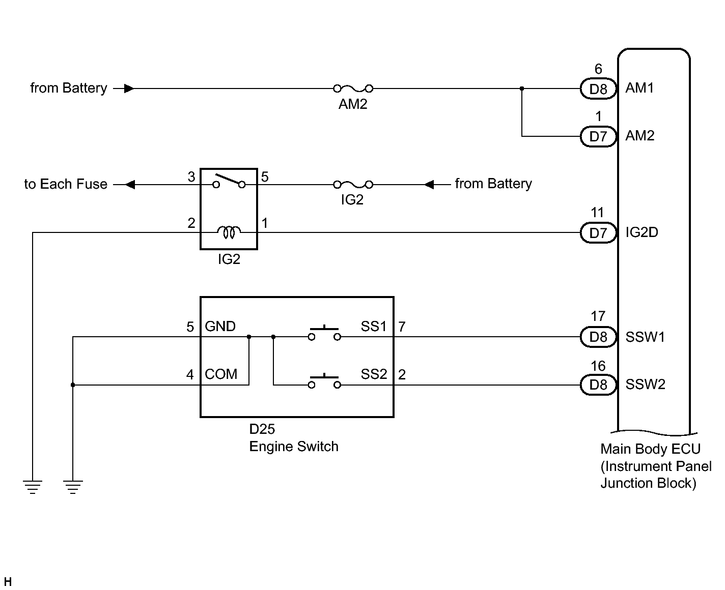
Power Source Mode does not Change: Wiring Diagram

Fig 1: Engine Switch Power Source Circuit Wiring Diagram (1 Of 2)
GTY199645Courtesy of © TOYOTA, LICENSE AGREEMENT TMS1002
Fig 2: Engine Switch Power Source Circuit Wiring Diagram (2 Of 2)
GTY199647Courtesy of © TOYOTA, LICENSE AGREEMENT TMS1002