LEMON Manuals: Even more car manuals for everyone: 1960-2025
Home >> Toyota >> 2012 >> Matrix Base, Automatic Trans >> Repair and Diagnosis (Single Page) >> Accessories & Equipment >> Entertainment Systems >> Audio / Video System (Diagnostic Codes & Symptom Tests) >> Audio And Visual System >> Circuit Tests >> Vehicle Speed Signal Circuit between Radio Receiver and Combination Meter >> Wiring Diagram
April 5, 2026: LEMON Manuals is launched! Read the announcement.

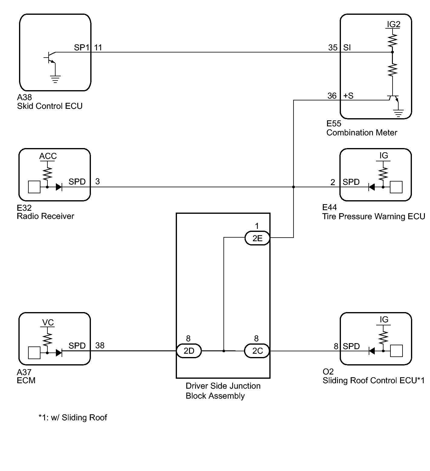
Vehicle Speed Signal Circuit between Radio Receiver and Combination Meter: Wiring Diagram

  1. for 2ZR-FE 
    Fig 1: Vehicle Speed Signal Circuit - Wiring Diagram (For 2ZR-FE)
    GTY291091Courtesy of © TOYOTA, LICENSE AGREEMENT TMS1002
  2. for 2AZ-FE 
    Fig 2: Vehicle Speed Signal Circuit - Wiring Diagram (For 2AZ-FE)
    GTY291739Courtesy of © TOYOTA, LICENSE AGREEMENT TMS1002