LEMON Manuals: Even more car manuals for everyone: 1960-2025
Home >> Toyota >> 2012 >> Matrix Base, Automatic Trans >> Repair and Diagnosis (Single Page) >> Electrical >> Body Electrical >> OEM System Circuits >> 4WD >> Notes
April 5, 2026: LEMON Manuals is launched! Read the announcement.

OEM System Circuits: 4WD: Notes

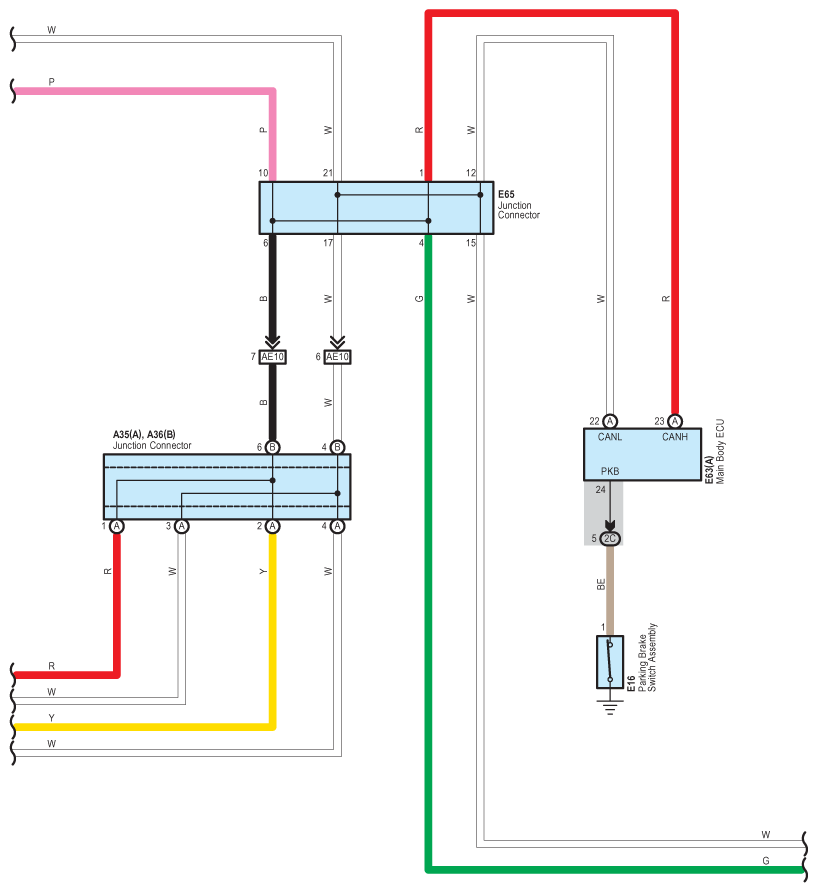
Fig 1: 4WD Wiring Diagram (1 Of 5)
G08798963Courtesy of © TOYOTA, LICENSE AGREEMENT TMS1002
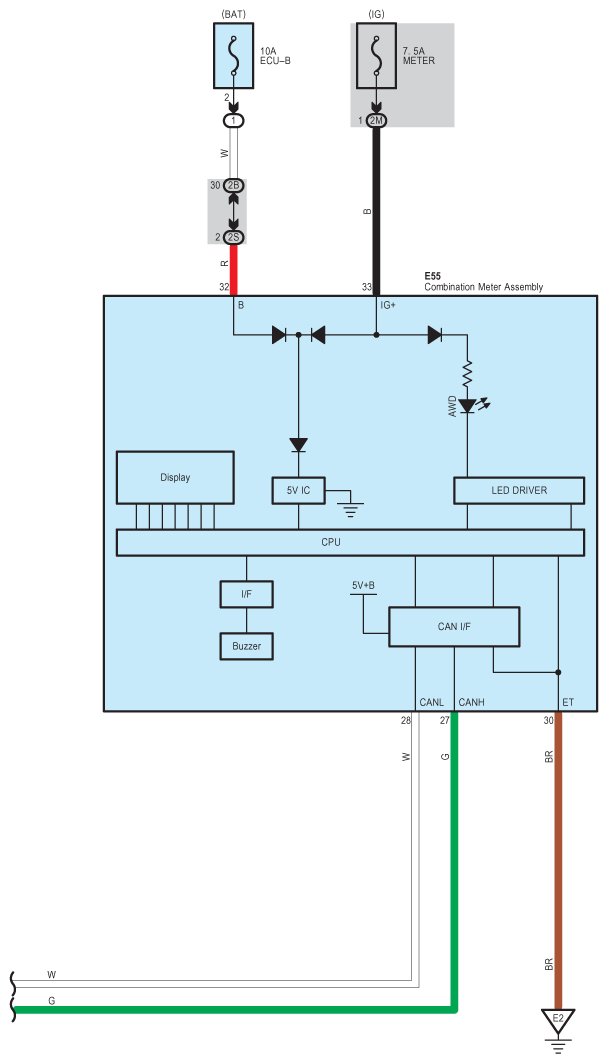
Fig 2: 4WD Wiring Diagram (2 Of 5)
G08798964Courtesy of © TOYOTA, LICENSE AGREEMENT TMS1002
Fig 3: 4WD Wiring Diagram (3 Of 5)
G08798965Courtesy of © TOYOTA, LICENSE AGREEMENT TMS1002
Fig 4: 4WD Wiring Diagram (4 Of 5)
G08798966Courtesy of © TOYOTA, LICENSE AGREEMENT TMS1002
Fig 5: 4WD Wiring Diagram (5 Of 5)
G08798967Courtesy of © TOYOTA, LICENSE AGREEMENT TMS1002