LEMON Manuals: Even more car manuals for everyone: 1960-2025
Home >> Toyota >> 2012 >> Matrix Base, Automatic Trans >> Repair and Diagnosis (Single Page) >> Electrical >> Body Electrical >> OEM System Circuits >> Shift Lock >> Notes
April 5, 2026: LEMON Manuals is launched! Read the announcement.

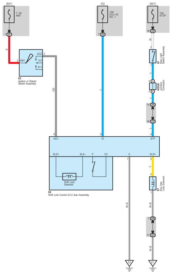
Shift Lock: Notes

Fig 1: Shift Lock System Wiring Diagram
G08798977Courtesy of © TOYOTA, LICENSE AGREEMENT TMS1002