LEMON Manuals: Even more car manuals for everyone: 1960-2025
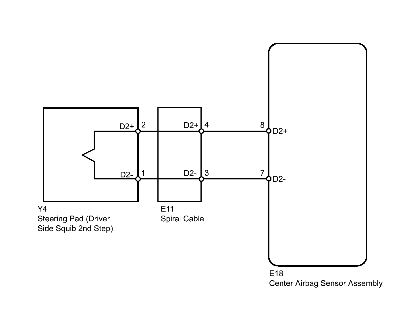
Home >> Toyota >> 2012 >> Matrix Base, Automatic Trans >> Repair and Diagnosis (Single Page) >> Restraints >> Restraints Control Systems >> Supplemental Restraint System (Diagnostic Codes (B1000 - B1974) & Symptom Tests) >> Airbag System >> DTC B1810/53: Short in Driver Side Squib 2nd Step Circuit; DTC B1811/53: Open in Driver Side Squib 2nd Step Circuit; DTC B1812/53: Short to GND in Driver Side Squib 2nd Step Circuit; DTC B1813/53: Short to B+ in Driver Side Squib 2nd Step Circuit >> Wiring Diagram
April 5, 2026: LEMON Manuals is launched! Read the announcement.

DTC B1810/53: Short in Driver Side Squib 2nd Step Circuit; DTC B1811/53: Open in Driver Side Squib 2nd Step Circuit; DTC B1812/53: Short to GND in Driver Side Squib 2nd Step Circuit; DTC B1813/53: Short to B+ in Driver Side Squib 2nd Step Circuit: Wiring Diagram

Fig 1: Identifying Driver Side Squib 2nd Step Circuit Diagram
GTY226602Courtesy of © TOYOTA, LICENSE AGREEMENT TMS1002