LEMON Manuals: Even more car manuals for everyone: 1960-2025
Home >> Toyota >> 2012 >> Matrix Base, Automatic Trans >> Repair and Diagnosis >> Electrical >> Body Electrical >> OEM System Circuits >> Electronically Controlled Transmission and A/T Indicator (2AZ-FE) >> Notes
April 5, 2026: LEMON Manuals is launched! Read the announcement.

Electronically Controlled Transmission and A/T Indicator (2AZ-FE): Notes

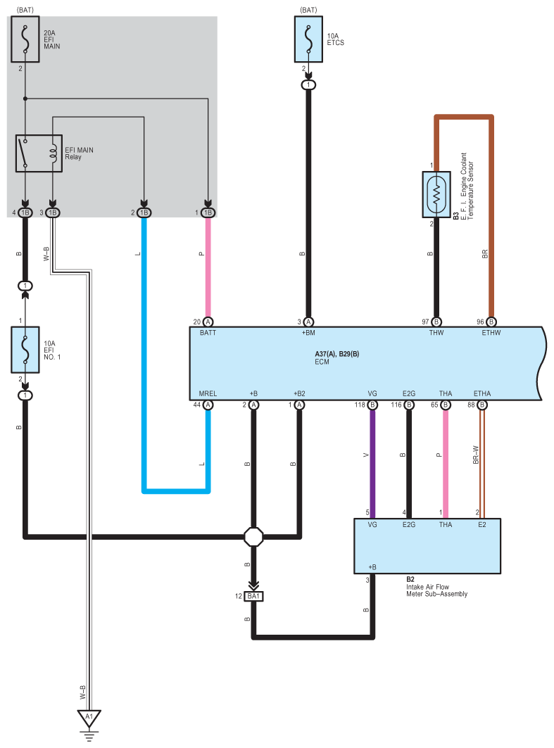
Fig 1: Electronically Controlled Transmission And A/T Indicator Wiring Diagram (2AZ-FE; 1 Of 6)
G08798926Courtesy of © TOYOTA, LICENSE AGREEMENT TMS1002
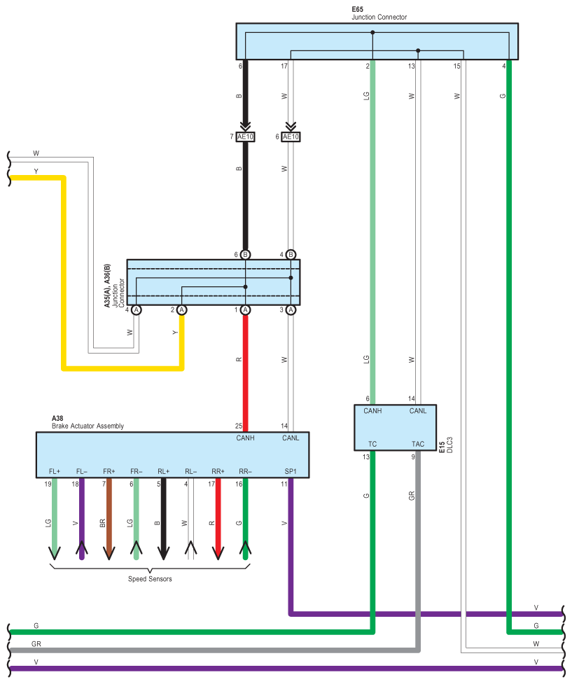
Fig 2: Electronically Controlled Transmission And A/T Indicator Wiring Diagram (2AZ-FE; 2 Of 6)
G08798927Courtesy of © TOYOTA, LICENSE AGREEMENT TMS1002
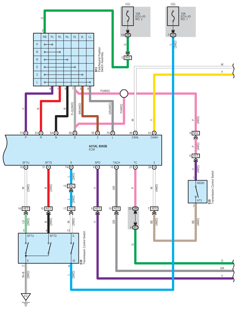
Fig 3: Electronically Controlled Transmission And A/T Indicator Wiring Diagram (2AZ-FE; 3 Of 6)
G08798928Courtesy of © TOYOTA, LICENSE AGREEMENT TMS1002
Fig 4: Electronically Controlled Transmission And A/T Indicator Wiring Diagram (2AZ-FE; 4 Of 6)
G08798929Courtesy of © TOYOTA, LICENSE AGREEMENT TMS1002
Fig 5: Electronically Controlled Transmission And A/T Indicator Wiring Diagram (2AZ-FE; 5 Of 6)
G08798930Courtesy of © TOYOTA, LICENSE AGREEMENT TMS1002
Fig 6: Electronically Controlled Transmission And A/T Indicator Wiring Diagram (2AZ-FE; 6 Of 6)
G08798931Courtesy of © TOYOTA, LICENSE AGREEMENT TMS1002