LEMON Manuals: Even more car manuals for everyone: 1960-2025
Home >> Toyota >> 2012 >> Matrix Base, Automatic Trans >> Repair and Diagnosis >> Electrical >> Body Electrical >> OEM System Circuits >> Illumination and Taillight >> Notes
April 5, 2026: LEMON Manuals is launched! Read the announcement.

Illumination and Taillight: Notes

Fig 1: Illumination And Taillight Wiring Diagram (1 Of 6)
G08798901Courtesy of © TOYOTA, LICENSE AGREEMENT TMS1002
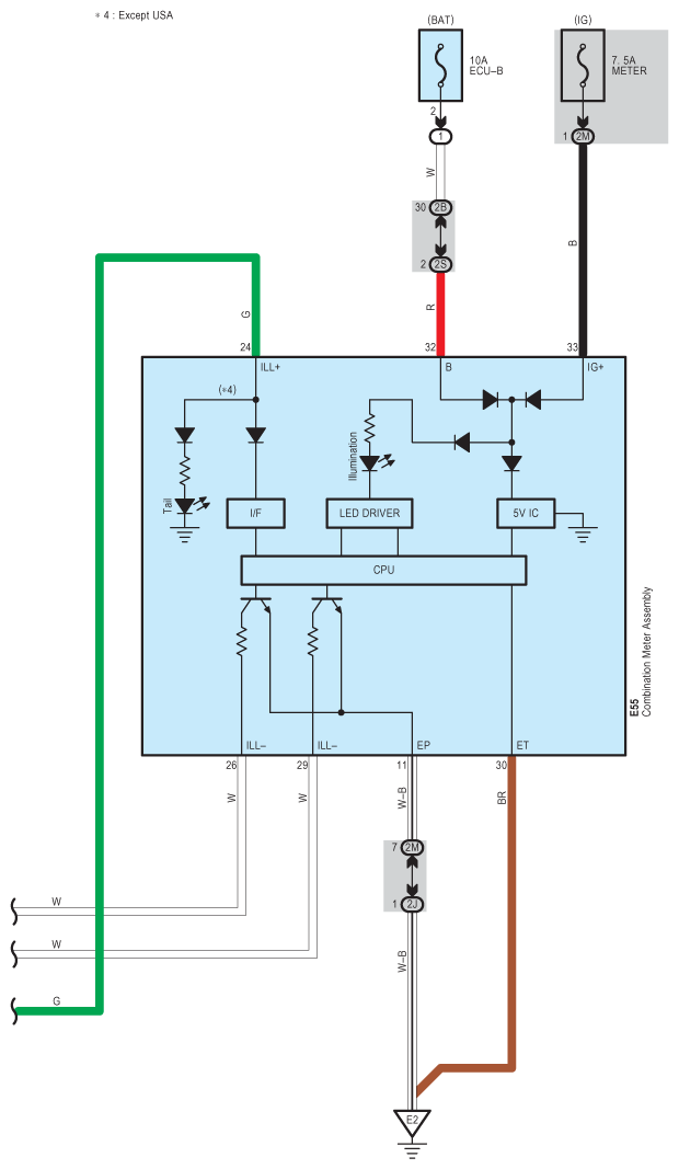
Fig 2: Illumination And Taillight Wiring Diagram (2 Of 6)
G08798902Courtesy of © TOYOTA, LICENSE AGREEMENT TMS1002
Fig 3: Illumination And Taillight Wiring Diagram (3 Of 6)
G08798903Courtesy of © TOYOTA, LICENSE AGREEMENT TMS1002
Fig 4: Illumination And Taillight Wiring Diagram (4 Of 6)
G08798904Courtesy of © TOYOTA, LICENSE AGREEMENT TMS1002
Fig 5: Illumination And Taillight Wiring Diagram (5 Of 6)
G08798905Courtesy of © TOYOTA, LICENSE AGREEMENT TMS1002
Fig 6: Illumination And Taillight Wiring Diagram (6 Of 6)
G08798906Courtesy of © TOYOTA, LICENSE AGREEMENT TMS1002