LEMON Manuals: Even more car manuals for everyone: 1960-2025
Home >> Toyota >> 2012 >> Matrix Base, Automatic Trans >> Repair and Diagnosis >> External Pages >> Different car >> Section 112 (Air Conditioning System (For Manual A/C) (Diagnostic Codes & Circuit Tests)) >> AIR CONDITIONING SYSTEM (for Manual Air Conditioning System) >> Circuit Tests >> Blower Motor Circuit >> Procedure
April 5, 2026: LEMON Manuals is launched! Read the announcement.

Blower Motor Circuit: Procedure

WARNING: This page is about a different car, the 2011 Toyota Corolla. However, it is still accessible from the selected car via links, so may be relevant.
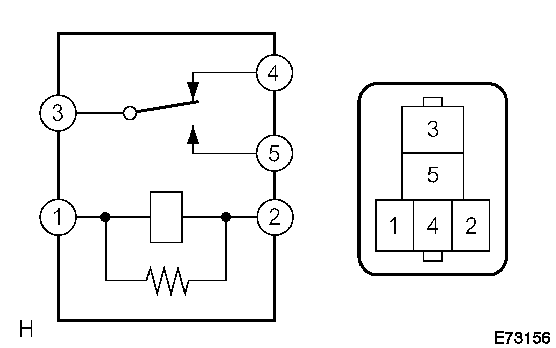
  1. INSPECT RELAY (HTR) 
    1. Remove the HTR relay from the instrument panel junction block.
      Fig 1: Identifying Rear Heater Relay Connector Terminals
      GTY206217Courtesy of © TOYOTA, LICENSE AGREEMENT TMS1002
    2. Measure the resistance according to the value(s) in the table below.

      Standard Resistance

      Tester Connection Specified Condition
      3 - 4 Below 1 Ω
      3 - 4 10 kΩ or higher (When battery voltage is applied to terminals 1 and 2)
      3 - 5 10 kΩ or higher
      3 - 5 Below 1 Ω (When battery voltage is applied to terminals 1 and 2)

    NG → REPLACE RELAY (HTR) 

    OK: Go to next step 

  2. CHECK HARNESS AND CONNECTOR (A/C AMPLIFIER - BATTERY) 
    1. Disconnect the connector from the A/C amplifier.
      Fig 2: Identifying E62 & E111 Connector Terminals
      GTY293048Courtesy of © TOYOTA, LICENSE AGREEMENT TMS1002
    2. Measure the voltage according to the value(s) in the table below.

      Standard Voltage

      Tester Connection Condition Specified Condition
      E62-9 (SBLW) - Body ground*1 Ignition switch ON
      Blower switch: OFF
      11 to 14 V
      E62-9 (SBLW) - Body ground*1 Ignition switch ON
      Blower switch: ON
      Below 1 V
      E111-21 (SBLW) - Body ground*2 Ignition switch ON
      Blower switch: OFF
      11 to 14 V
      E111-21 (SBLW) - Body ground*2 Ignition switch ON
      Blower switch: ON
      Below 1 V
      • *1: except TMC Made 2AZ-FE
      • *2: for TMC Made and except TMC Made 2ZR-FE
      TEXT IN ILLUSTRATION

      *a Front view of wire harness connector
      (to A/C Amplifier (except TMC Made 2AZ-FE))
      *b Front view of wire harness connector
      (to A/C Amplifier (for TMC Made and except TMC Made 2ZR-FE))

    NG → See step   3 

    OK → See step   11 

  3. INSPECT BLOWER MOTOR 
    1. Remove the blower motor.
    2. Disconnect the connector from the blower motor.
      Fig 3: Disconnecting E64 Connector From Blower Motor
      GTY294131Courtesy of © TOYOTA, LICENSE AGREEMENT TMS1002
    3. Connect a positive (+) lead from the battery to terminal 2 and a negative (-) lead from the battery to terminal 1, and check that the motor operates.

      OK

      The blower motor operates smoothly.

      TEXT IN ILLUSTRATION

      *a Component without harness connected
      (Blower Motor)

    NG → See step   12 

    OK: Go to next step 

  4. INSPECT BLOWER RESISTOR 
    1. Remove the blower resistor.
    2. Disconnect the connector from the blower resistor.
      Fig 4: Identifying E66 Connector Terminals
      GTY293934Courtesy of © TOYOTA, LICENSE AGREEMENT TMS1002
    3. Measure the resistance according to the value(s) in the table below.

      Standard Resistance

      Tester Connection Condition Specified Condition
      E66-1 (HI) - E66-4 (E) Always 3.12 to 3.60 Ω
      E66-1 (HI) - E66-2 (M1) Always 1.45 to 1.67 Ω
      E66-1 (HI) - E66-3 (M2) Always 0.52 to 0.60 Ω
      TEXT IN ILLUSTRATION

      *a Component without harness connected
      (Blower Resister)

    NG → See step   13 

    OK: Go to next step 

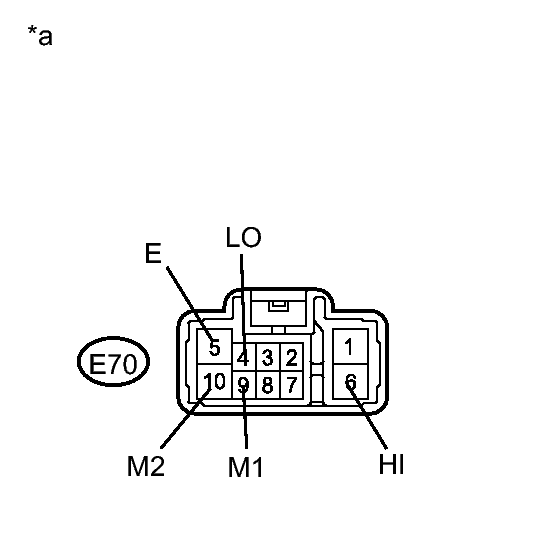
  5. INSPECT NO. 2 HEATER CONTROL (BLOWER SWITCH) 
    1. Remove the No. 2 heater control (blower switch).
    2. Disconnect the connector from the No. 2 heater control (blower switch).
      Fig 5: Identifying E70 Connector Terminals
      GTY291013Courtesy of © TOYOTA, LICENSE AGREEMENT TMS1002
    3. Measure the resistance according to the value(s) in the table below.

      Standard Resistance

      Tester Connection Switch Condition Specified Condition
      E70-4 (LO), E70-6 (HI), E70-9 (M1), E70-10 (M2) - E70-5 (E) Blower switch: OFF 10 kΩ or higher
      E70-4 (LO) - E70-5 (E) Blower switch: LO Below 1 Ω
      E70-4 (LO), E70-9 (M1) - E70-5 (E) Blower switch: M1 Below 1 Ω
      E70-4 (LO), E70-10 (M2) - E70-5 (E) Blower switch: M2 Below 1 Ω
      E70-4 (LO), E70-6 (HI) - E70-5 (E) Blower switch: HI Below 1 Ω
      TEXT IN ILLUSTRATION

      *a Component without harness connected
      (No. 2 Heater Control (Blower Switch))

    NG → See step   14 

    OK: Go to next step 

  6. CHECK HARNESS AND CONNECTOR (A/C AMPLIFIER - BATTERY) 
    1. Measure the voltage according to the value(s) in the table below.
      Fig 6: Identifying E62 & E111 Connector Terminals
      GTY294163Courtesy of © TOYOTA, LICENSE AGREEMENT TMS1002

      Standard Voltage

      Tester Connection Switch Condition Specified Condition
      E62-9 (SBLW) - Body ground*1 Ignition switch ON 11 to 14 V
      E62-9 (SBLW) - Body ground*1 Ignition switch off Below 1 V
      E111-21 (SBLW) - Body ground*2 Ignition switch ON 11 to 14 V
      E111-21 (SBLW) - Body ground*2 Ignition switch off Below 1 V
      • *1: except TMC Made 2AZ-FE
      • *2: for TMC Made and except TMC Made 2ZR-FE
      TEXT IN ILLUSTRATION

      *a Front view of wire harness connector
      (to A/C Amplifier (except TMC Made 2AZ-FE))
      *b Front view of wire harness connector
      (to A/C Amplifier (for TMC Made and except TMC Made 2ZR-FE))

    NG → REPAIR OR REPLACE HARNESS OR CONNECTOR 

    OK: Go to next step 

  7. CHECK HARNESS AND CONNECTOR (NO. 2 HEATER CONTROL (BLOWER SWITCH) - BATTERY) 
    1. Measure the voltage according to the value(s) in the table below.
      Fig 7: Identifying E70 Connector LO Terminal
      GTY294133Courtesy of © TOYOTA, LICENSE AGREEMENT TMS1002

      Standard Voltage

      Tester Connection Switch Condition Specified Condition
      E70-4 (LO) - Body ground Ignition switch ON 11 to 14 V
      E70-4 (LO) - Body ground Ignition switch off Below 1 V
      TEXT IN ILLUSTRATION

      *a Front view of wire harness connector
      (to No. 2 Heater Control (Blower Switch))

    NG → REPAIR OR REPLACE HARNESS OR CONNECTOR 

    OK: Go to next step 

  8. CHECK HARNESS AND CONNECTOR (BLOWER RESISTOR - NO. 2 HEATER CONTROL (BLOWER SWITCH)) 
    1. Measure the resistance according to the value(s) in the table below.

      Standard Resistance

      Tester Connection Condition Specified Condition
      E66-1 (HI) - E70-6 (HI) Always Below 1 Ω
      E66-3 (M2) - E70-10 (M2) Always Below 1 Ω
      E66-2 (M1) - E70-9 (M1) Always Below 1 Ω
      E66-4 (E) - Body ground Always Below 1 Ω
      E70-5 (E) - Body ground Always Below 1 Ω
      E66-1 (HI) - Body ground Always 10 kΩ or higher
      E66-3 (M2) - Body ground Always 10 kΩ or higher
      E66-2 (M1) - Body ground Always 10 kΩ or higher

    NG → REPAIR OR REPLACE HARNESS OR CONNECTOR 

    OK: Go to next step 

  9. CHECK HARNESS AND CONNECTOR (BLOWER MOTOR - BLOWER RESISTOR, NO. 2 HEATER CONTROL) 
    1. Measure the resistance according to the value(s) in the table below.

      Standard Resistance

      Tester Connection Condition Specified Condition
      E64-1 - E66-1 (HI) Always Below 1 Ω
      E64-1 - E70-6 (HI) Always Below 1 Ω
      E64-1 - Body ground Always 10 kΩ or higher

    NG → REPAIR OR REPLACE HARNESS OR CONNECTOR 

    OK: Go to next step 

  10. CHECK HARNESS AND CONNECTOR (BLOWER MOTOR - BATTERY, BODY GROUND) 
    1. Reconnect the connector to the A/C amplifier.
    2. Reconnect the connector to the blower resistor.
    3. Reconnect the connector to the No. 2 heater control (blower switch).
    4. Measure the voltage according to the value(s) in the table below.
      Fig 8: Identifying E64 Connector Terminals
      GTY290497Courtesy of © TOYOTA, LICENSE AGREEMENT TMS1002

      Standard Voltage

      Tester Connection Switch Condition Specified Condition
      E64-2 - Body ground Ignition switch ON
      Blower switch: OFF
      Below 1 V
      E64-2 - Body ground Ignition switch ON
      Blower switch: ON
      11 to 14 V
    5. Measure the resistance according to the value(s) in the table below.

      Standard Resistance

      Tester Connection Switch Condition Specified Condition
      E64-2 - Body ground Ignition switch off
      Blower switch: OFF
      Below 1 Ω
      TEXT IN ILLUSTRATION

      *a Front view of wire harness connector
      (to Blower Motor)

    NG → REPAIR OR REPLACE HARNESS OR CONNECTOR 

    OK → See step   15 

  11. PROCEED TO NEXT SUSPECTED AREA SHOWN IN PROBLEM SYMPTOMS TABLE. Refer to  PROBLEM SYMPTOMS TABLE 
  12. REPLACE BLOWER MOTOR. Refer to  REMOVAL 
  13. REPLACE BLOWER RESISTOR. Refer to  REMOVAL 
  14. REPLACE NO. 2 HEATER CONTROL (BLOWER SWITCH). Refer to  DISASSEMBLY 
  15. REPLACE AIR CONDITIONING AMPLIFIER. Refer to  REMOVAL