LEMON Manuals: Even more car manuals for everyone: 1960-2025
Home >> Toyota >> 2012 >> Matrix Base, Automatic Trans >> Repair and Diagnosis >> External Pages >> Different car >> Section 112 (Air Conditioning System (For Manual A/C) (Diagnostic Codes & Circuit Tests)) >> AIR CONDITIONING SYSTEM (for Manual Air Conditioning System) >> Circuit Tests >> Recirculation Damper Servo Motor Circuit >> Wiring Diagram
April 5, 2026: LEMON Manuals is launched! Read the announcement.

Recirculation Damper Servo Motor Circuit: Wiring Diagram

WARNING: This page is about a different car, the 2011 Toyota Corolla. However, it is still accessible from the selected car via links, so may be relevant.
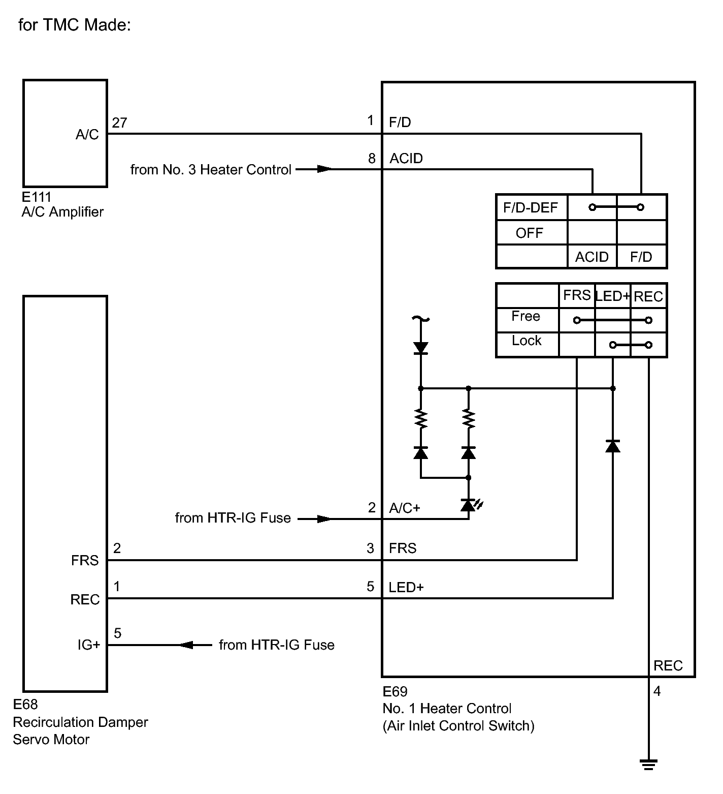
Fig 1: Identifying Recirculation Damper Servo Motor Wiring Diagram (1 Of 2)
GTY292547Courtesy of © TOYOTA, LICENSE AGREEMENT TMS1002
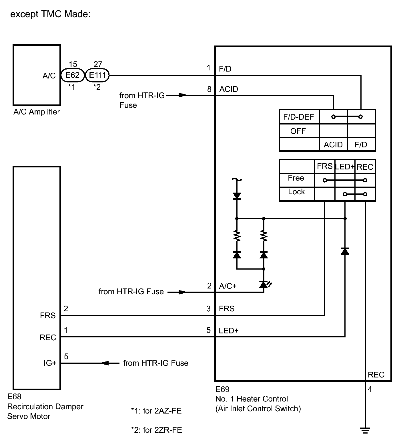
Fig 2: Identifying Recirculation Damper Servo Motor Wiring Diagram (2 Of 2)
GTY293441Courtesy of © TOYOTA, LICENSE AGREEMENT TMS1002