LEMON Manuals: Even more car manuals for everyone: 1960-2025
Home >> Toyota >> 2012 >> Matrix Base, Automatic Trans >> Repair and Diagnosis >> External Pages >> Different car >> Section 332 (Steering Lock System (Diagnostic Codes & Circuit Tests)) >> Steering Lock System >> DTC B2788: IG2 Signal Malfunction >> Wiring Diagram
April 5, 2026: LEMON Manuals is launched! Read the announcement.

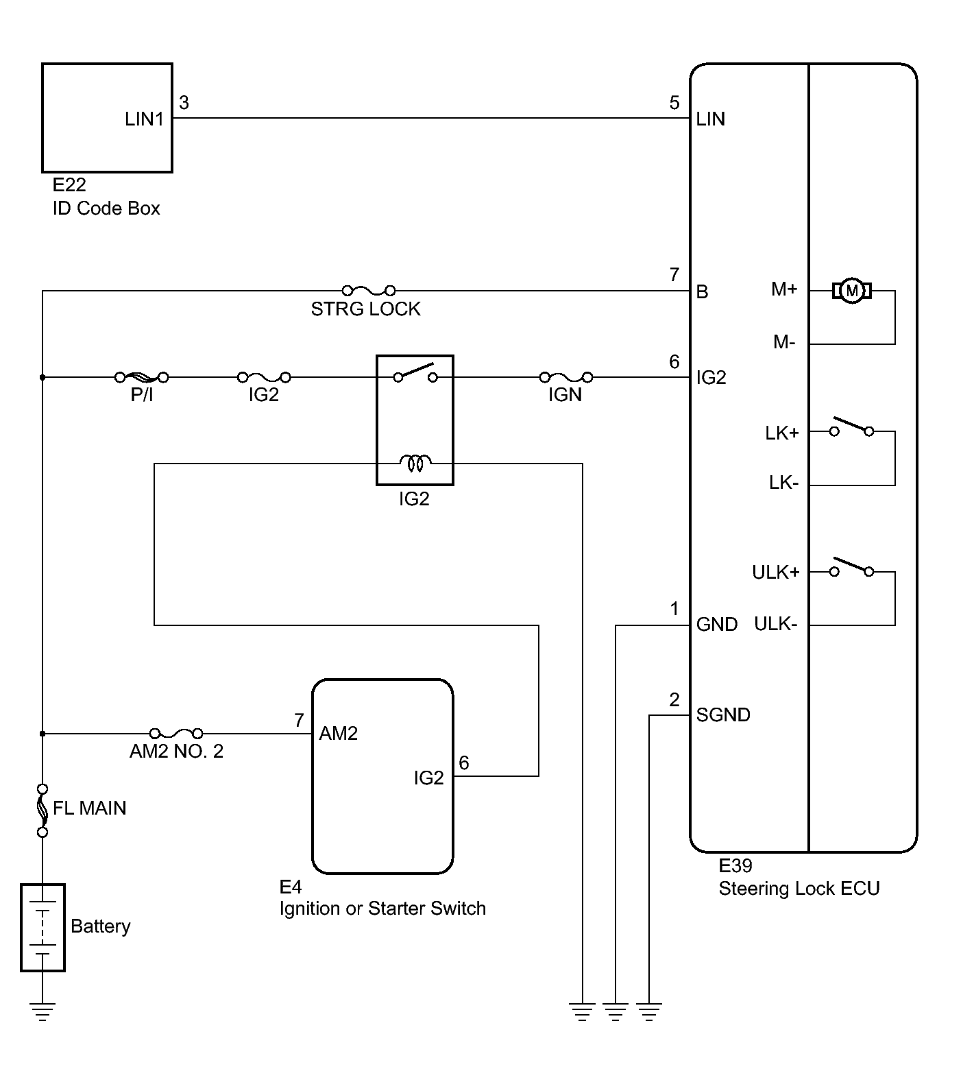
DTC B2788: IG2 Signal Malfunction: Wiring Diagram

WARNING: This page is about a different car, the 2012 Toyota Corolla. However, it is still accessible from the selected car via links, so may be relevant.
Fig 1: IG2 Signal Malfunction Wiring Diagram
GTY323135Courtesy of © TOYOTA, LICENSE AGREEMENT TMS1002