LEMON Manuals: Even more car manuals for everyone: 1960-2025
Home >> Toyota >> 2012 >> Matrix Base, Automatic Trans >> Repair and Diagnosis >> External Pages >> Different car >> Section 365 (OEM System Circuits) >> Seat Belt Warning (TMC Made) >> Notes
April 5, 2026: LEMON Manuals is launched! Read the announcement.

Seat Belt Warning (TMC Made): Notes

WARNING: This page is about a different car, the 2012 Toyota Corolla. However, it is still accessible from the selected car via links, so may be relevant.
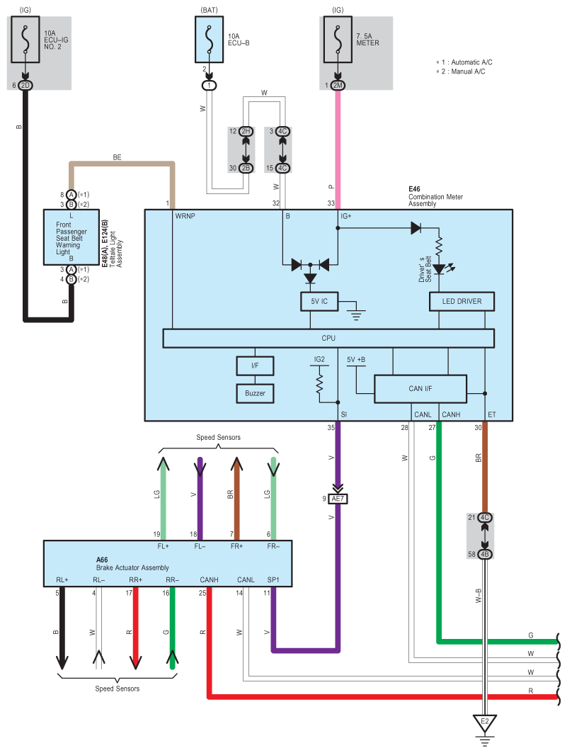
Fig 1: Seat Belt Warning System Wiring Diagram (TMC Made; 1 Of 3)
G08842787Courtesy of © TOYOTA, LICENSE AGREEMENT TMS1002
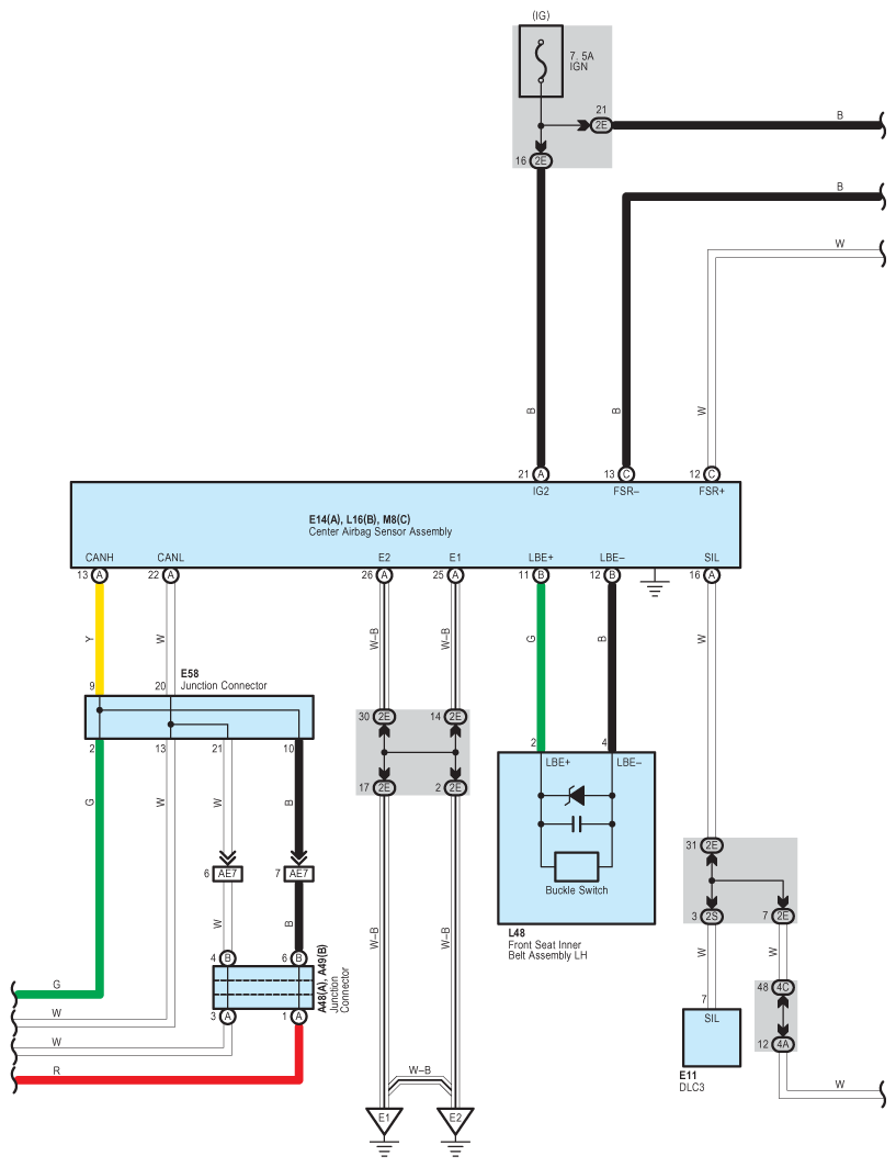
Fig 2: Seat Belt Warning System Wiring Diagram (TMC Made; 2 Of 3)
G08842788Courtesy of © TOYOTA, LICENSE AGREEMENT TMS1002
Fig 3: Seat Belt Warning System Wiring Diagram (TMC Made; 3 Of 3)
G08842789Courtesy of © TOYOTA, LICENSE AGREEMENT TMS1002