LEMON Manuals: Even more car manuals for everyone: 1960-2025
Home >> Toyota >> 2012 >> Matrix Base, Automatic Trans >> Repair and Diagnosis >> External Pages >> Different car >> Section 367 (OEM Junction Block, Ecu & Fuse/Relay Locations) >> Junction Block Fuse, Relay & Circuit Identification >> Instrument Panel Junction Block Inner Circuit
April 5, 2026: LEMON Manuals is launched! Read the announcement.

Instrument Panel Junction Block Inner Circuit

WARNING: This page is about a different car, the 2012 Toyota Corolla. However, it is still accessible from the selected car via links, so may be relevant.
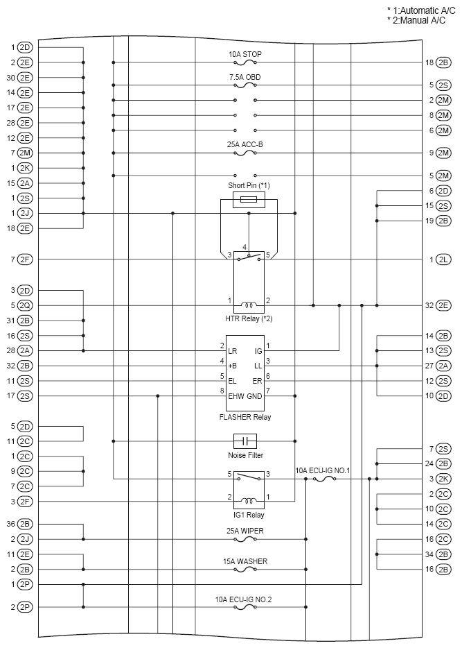
Fig 1: Instrument Panel J/B & Relay Inner Circuit Diagram (1 Of 4)
G08842677Courtesy of © TOYOTA, LICENSE AGREEMENT TMS1002
Instrument Panel J/B Inner Circuit Relay Identification

RELAY DESCRIPTION
T-LP Relay
PWR Relay
DEF Relay
Fig 2: Instrument Panel J/B & Relay Inner Circuit Diagram (2 Of 4)
G08842678Courtesy of © TOYOTA, LICENSE AGREEMENT TMS1002
Fig 3: Instrument Panel J/B & Relay Inner Circuit Diagram (3 Of 4)
G08842679Courtesy of © TOYOTA, LICENSE AGREEMENT TMS1002
Instrument Panel J/B Inner Circuit Relay Identification

RELAY DESCRIPTION
C/OPN Relay
Fig 4: Instrument Panel J/B & Relay Inner Circuit Diagram (4 Of 4)
G08842680Courtesy of © TOYOTA, LICENSE AGREEMENT TMS1002