LEMON Manuals: Even more car manuals for everyone: 1960-2025
Home >> Toyota >> 2012 >> Matrix Base, Automatic Trans >> Repair and Diagnosis >> External Pages >> Different car >> Section 367 (OEM Junction Block, Ecu & Fuse/Relay Locations) >> Relay Block Identification >> Engine Room Relay Block And Engine Room Junction Block Inner Circuit
April 5, 2026: LEMON Manuals is launched! Read the announcement.

Engine Room Relay Block And Engine Room Junction Block Inner Circuit

WARNING: This page is about a different car, the 2012 Toyota Corolla. However, it is still accessible from the selected car via links, so may be relevant.
Fig 1: Engine Room R/B And Engine Room J/B Inner Circuit Diagram
G08842671Courtesy of © TOYOTA, LICENSE AGREEMENT TMS1002


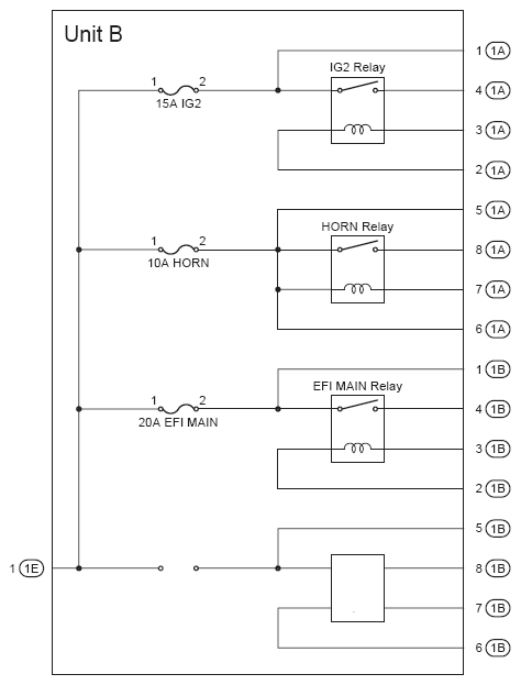
Fig 1: Engine Room R/B & J/B Inner Circuit Diagram With Relays
G08842673Courtesy of © TOYOTA, LICENSE AGREEMENT TMS1002
Engine Room R/B And J/B Inner Circuit Relay Identification

RELAY DESCRIPTION
IG2 Relay
Horn Relay
EFI Main Relay