LEMON Manuals: Even more car manuals for everyone: 1960-2025
Home >> Toyota >> 2012 >> Matrix Base, Automatic Trans >> Repair and Diagnosis >> External Pages >> Different car >> Section 61 (Can Communication System (Diagnostic Codes & Circuit Tests)) >> Can Communication System >> Symptom Tests >> Check CAN Bus Line for Short to +B >> Wiring Diagram
April 5, 2026: LEMON Manuals is launched! Read the announcement.

Check CAN Bus Line for Short to +B: Wiring Diagram

WARNING: This page is about a different car, the 2011 Toyota Corolla. However, it is still accessible from the selected car via links, so may be relevant.
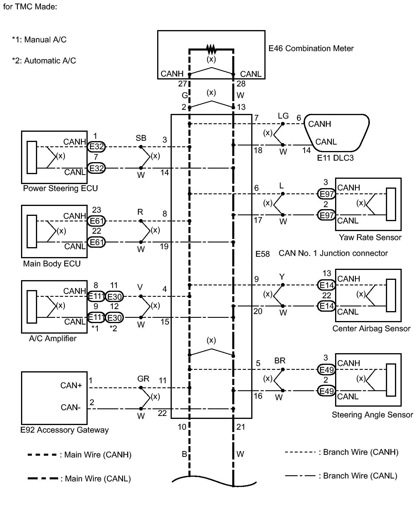
Fig 1: Combination Meter Wiring Diagram (TMC Made)
GTY290487Courtesy of © TOYOTA, LICENSE AGREEMENT TMS1002
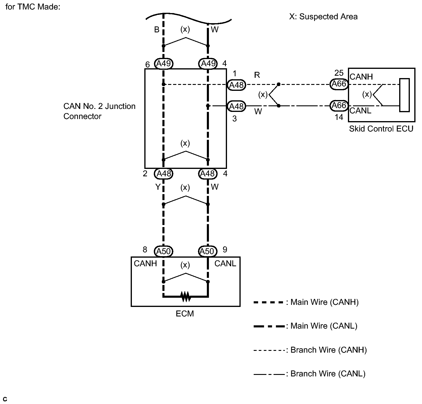
Fig 2: CAN No. 2 Junction Connector Wiring Diagram (TMC Made)
GTY292830Courtesy of © TOYOTA, LICENSE AGREEMENT TMS1002
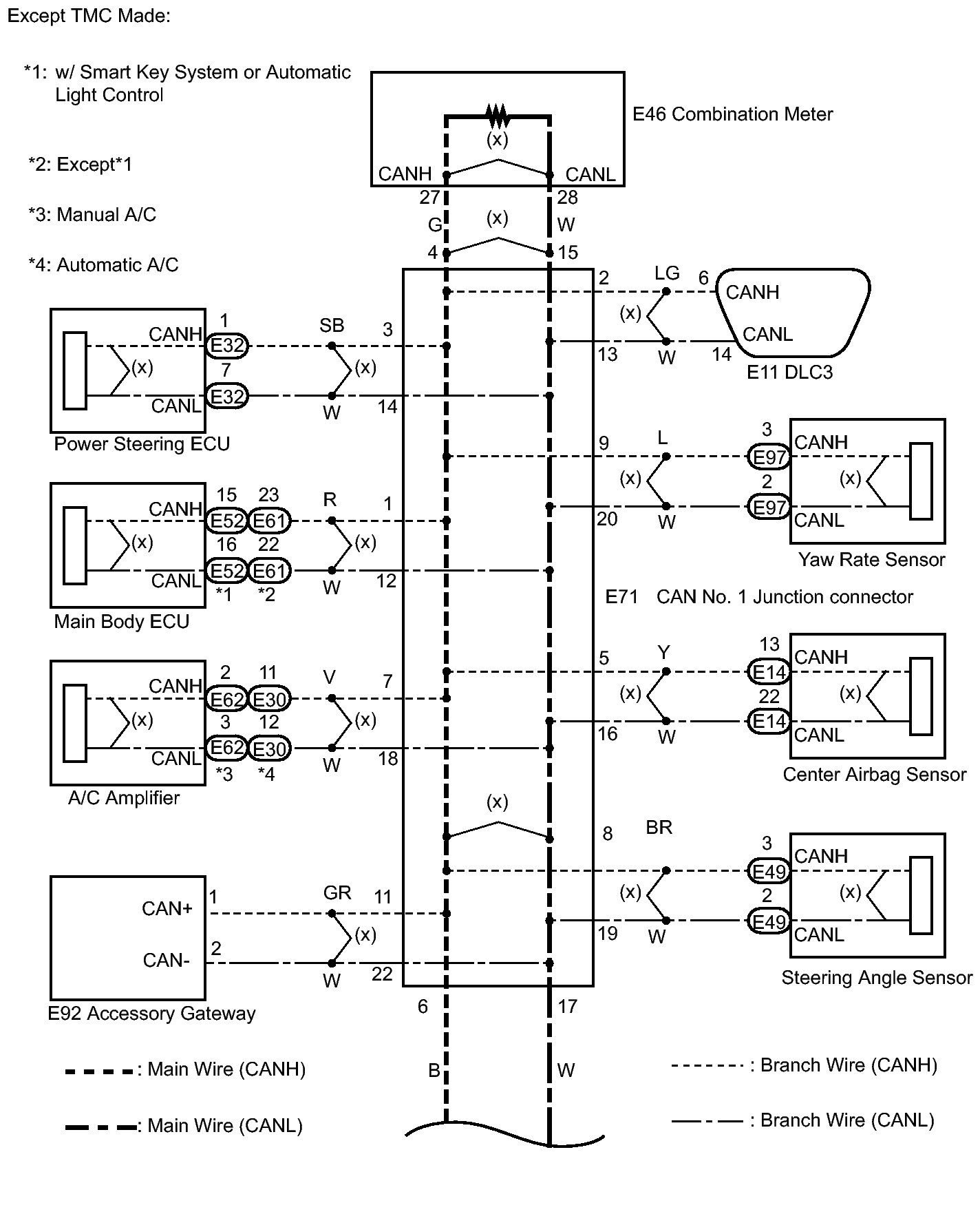
Fig 3: Combination Meter Wiring Diagram (Except TMC Made)
GTY294254Courtesy of © TOYOTA, LICENSE AGREEMENT TMS1002
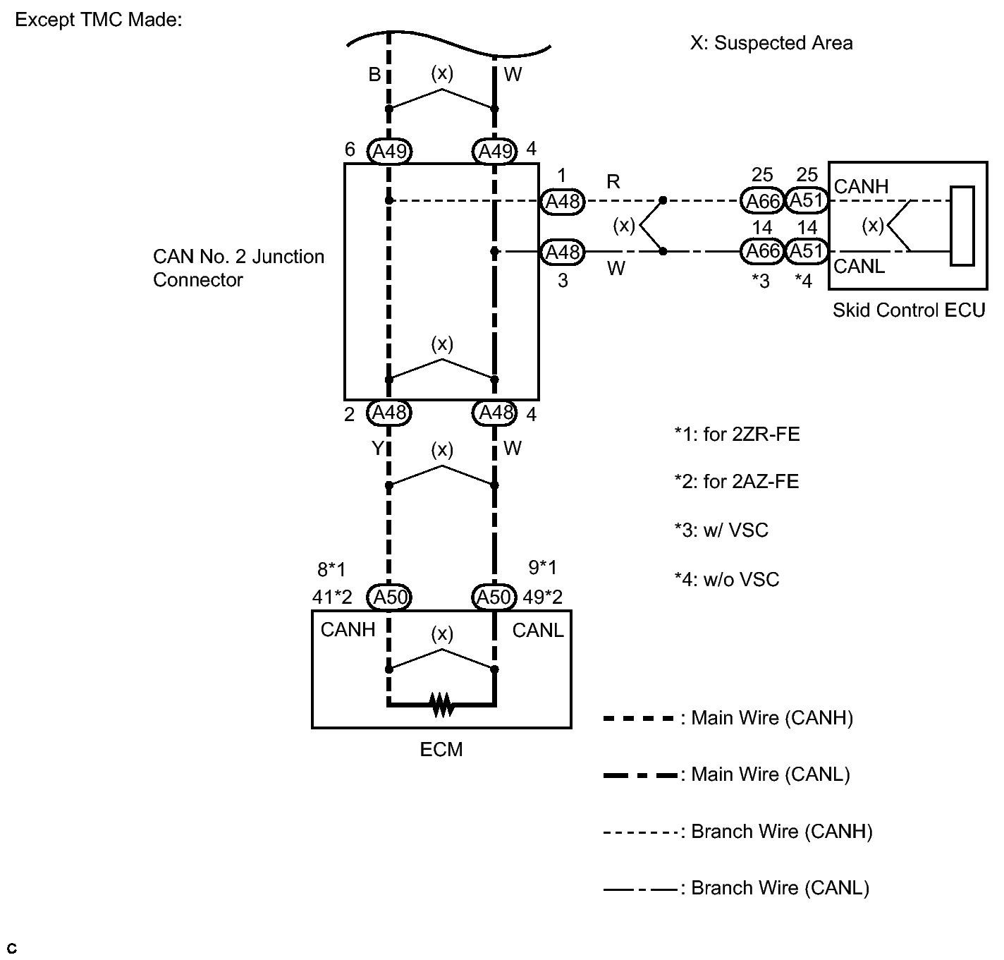
Fig 4: CAN No. 2 Junction Connector Wiring Diagram (Except TMC Made)
GTY292179Courtesy of © TOYOTA, LICENSE AGREEMENT TMS1002